Simplify your online presence. Elevate your brand.

Source Code Error Detection Hls Based Functional Verification

Source Code Error Detection Hls Based Functional Verification
Source Code Error Detection Hls Based Functional Verification

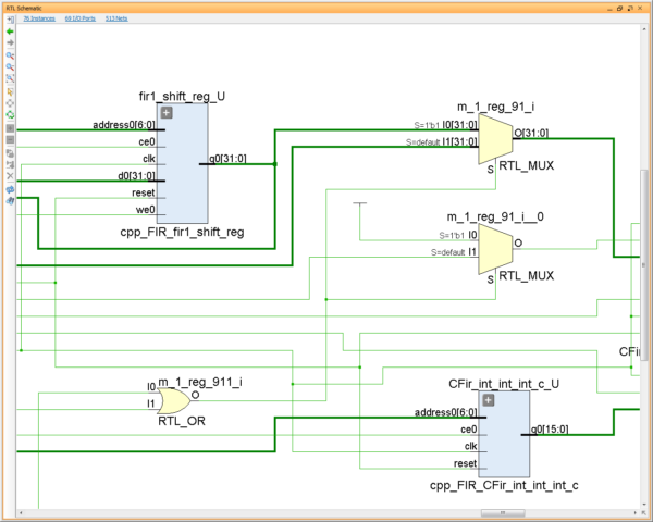
Source Code Error Detection Hls Based Functional Verification A dynamic functional verification method that compares untimed simulations versus timed simulations for synthesizable [high level synthesis (hls)] behavioral descriptions (ansi c) is presented in this paper. Explore the article titled source code error detection in high level synthesis functional verification from ijirt volume 4, issue 1. this study evaluates the effectiveness of teaching programs on waste management knowledge among women.

Source Code Error Detection Hls Based Functional Verification
Source Code Error Detection Hls Based Functional Verification

Source Code Error Detection Hls Based Functional Verification The adoption of hls has been driven by the need to tackle growing verification costs in traditional rtl design flows. this paper presents an overview of design, optimization and verification using hls. Source code error detection in high level synthesis functional verification. to read the full text of this research, you can request a copy directly from the author. This work introduces a fully automatic method to detect the presence of hw trojans in third party behavioral ips (3pbips) using formal verification methods and performs high level synthesis on these ips and re constructing the c code in order to perform the verification on them. A dynamic functional verification method that compares untimed simulations versus timed simulations for synthesizable [high level synthesis (hls)] behavioral descriptions (ansi c) is presented in this paper.

Challenges And Opportunities In Systemc And Hls Based Functional
Challenges And Opportunities In Systemc And Hls Based Functional

Challenges And Opportunities In Systemc And Hls Based Functional This work introduces a fully automatic method to detect the presence of hw trojans in third party behavioral ips (3pbips) using formal verification methods and performs high level synthesis on these ips and re constructing the c code in order to perform the verification on them. A dynamic functional verification method that compares untimed simulations versus timed simulations for synthesizable [high level synthesis (hls)] behavioral descriptions (ansi c) is presented in this paper. In this proposed system, a complete automated verification flow for synthesizable behavioral descriptions in order to detect where in the source code mismatches between the original untimed simulation and the timed synthesized design occur. On our next iteration of hls design, we decided to pursue a means by which we could directly and comprehensively verify the hls design source, rather than just the generated rtl. We present our techniques and their complete end to end implementa tion, demonstrating how our system can verify the correctness of highly complex programs generated by source to source compilers for hls, and detect bugs that may elude co simulation.

Challenges And Opportunities In Systemc And Hls Based Functional
Challenges And Opportunities In Systemc And Hls Based Functional

Challenges And Opportunities In Systemc And Hls Based Functional In this proposed system, a complete automated verification flow for synthesizable behavioral descriptions in order to detect where in the source code mismatches between the original untimed simulation and the timed synthesized design occur. On our next iteration of hls design, we decided to pursue a means by which we could directly and comprehensively verify the hls design source, rather than just the generated rtl. We present our techniques and their complete end to end implementa tion, demonstrating how our system can verify the correctness of highly complex programs generated by source to source compilers for hls, and detect bugs that may elude co simulation.

Github Lixiuw Source Code Vulnerability Detection 毕设
Github Lixiuw Source Code Vulnerability Detection 毕设

Github Lixiuw Source Code Vulnerability Detection 毕设 We present our techniques and their complete end to end implementa tion, demonstrating how our system can verify the correctness of highly complex programs generated by source to source compilers for hls, and detect bugs that may elude co simulation.

Perform Application Source Code Verification Virtual Lab Cybrary
Perform Application Source Code Verification Virtual Lab Cybrary

Perform Application Source Code Verification Virtual Lab Cybrary

Comments are closed.