Simplify your online presence. Elevate your brand.

Solved Flush Data Tdms Programmatically Saving Data And Retrieval

Solved Flush Data Tdms Programmatically Saving Data And Retrieval
Solved Flush Data Tdms Programmatically Saving Data And Retrieval

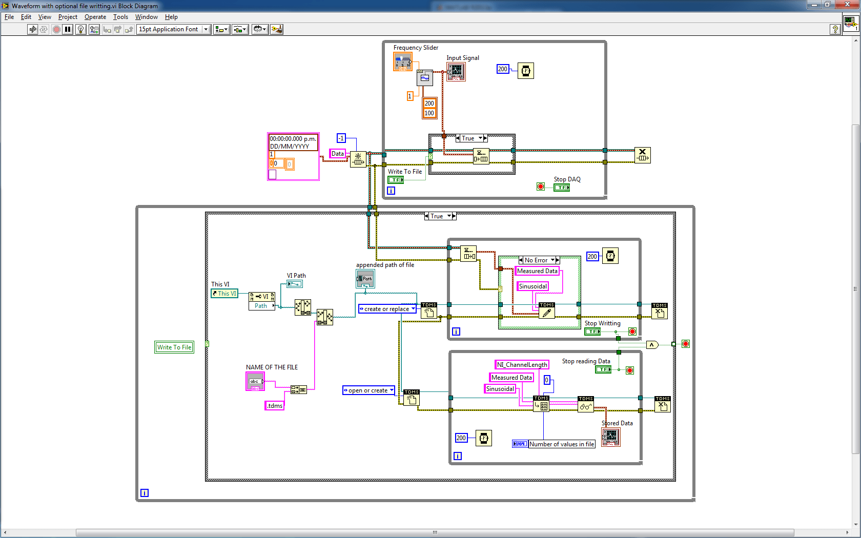
Solved Flush Data Tdms Programmatically Saving Data And Retrieval The correct operation would be to rewrite or replace the old file and save it with new values (keep same file name). the most logical thing to do is to change the option of the tdms open to “create or replace” but this doesn’t work and the data or file is not even created. Data written to a .tdms file often resides in a buffer until the buffer fills up or until you close the file. this function forces the operating system to write any buffer data to the .tdms file.

Solved Flush Data Tdms Programmatically Saving Data And Retrieval
Solved Flush Data Tdms Programmatically Saving Data And Retrieval

Solved Flush Data Tdms Programmatically Saving Data And Retrieval Tdms (technical data management streaming) is a newer, more efficient file format that implements this model by storing both the data and descriptive metadata in a single, structured binary file. Flushing is the process of synchronizing the state of the persistence context with the underlying database. the entitymanager and the hibernate session expose a set of methods, through which the application developer can change the persistent state of an entity. Use the advanced tdms vis and functions to perform advanced file i o operations, such as asynchronous reads and writes, on .tdms files. you can use these vis and functions to read data from an existing .tdms file, write data to a new .tdms file, or replace subsets of data in an existing .tdms file. As a developer, knowing when to flush in jpa is key to ensuring your data changes are properly saved and reflected in the database. it’s one of those fundamental skills that can save you from.

Solved Flush Data Tdms Programmatically Saving Data And Retrieval
Solved Flush Data Tdms Programmatically Saving Data And Retrieval

Solved Flush Data Tdms Programmatically Saving Data And Retrieval Use the advanced tdms vis and functions to perform advanced file i o operations, such as asynchronous reads and writes, on .tdms files. you can use these vis and functions to read data from an existing .tdms file, write data to a new .tdms file, or replace subsets of data in an existing .tdms file. As a developer, knowing when to flush in jpa is key to ensuring your data changes are properly saved and reflected in the database. it’s one of those fundamental skills that can save you from. Because the tdms file format is designed for streaming data applications, it supports writing data one segment at a time as data becomes available. if you don’t require this functionality you can simple call write segment once with all of your data. Data written to a .tdms file often resides in a buffer until the buffer fills up or until you close the file. this function forces the operating system to write any buffer data to the .tdms file. What i would like to do is flush the queue and write that entire array once data acquisition is stopped. however, the data type seems to be an array of a cluster of an array, and it cannot conform to the write tdms data type. Use this function to clean up your .tdms data when it becomes cluttered, and increase performance. use the advanced tdms vis and functions to perform advanced file i o operations, such as asynchronous reads and writes, on .tdms files.

Solved Flush Data Tdms Programmatically Saving Data And Retrieval
Solved Flush Data Tdms Programmatically Saving Data And Retrieval

Solved Flush Data Tdms Programmatically Saving Data And Retrieval Because the tdms file format is designed for streaming data applications, it supports writing data one segment at a time as data becomes available. if you don’t require this functionality you can simple call write segment once with all of your data. Data written to a .tdms file often resides in a buffer until the buffer fills up or until you close the file. this function forces the operating system to write any buffer data to the .tdms file. What i would like to do is flush the queue and write that entire array once data acquisition is stopped. however, the data type seems to be an array of a cluster of an array, and it cannot conform to the write tdms data type. Use this function to clean up your .tdms data when it becomes cluttered, and increase performance. use the advanced tdms vis and functions to perform advanced file i o operations, such as asynchronous reads and writes, on .tdms files.

A Problem With Tdms Flush Ni Community
A Problem With Tdms Flush Ni Community

A Problem With Tdms Flush Ni Community What i would like to do is flush the queue and write that entire array once data acquisition is stopped. however, the data type seems to be an array of a cluster of an array, and it cannot conform to the write tdms data type. Use this function to clean up your .tdms data when it becomes cluttered, and increase performance. use the advanced tdms vis and functions to perform advanced file i o operations, such as asynchronous reads and writes, on .tdms files.

A Problem With Tdms Flush Ni Community
A Problem With Tdms Flush Ni Community

A Problem With Tdms Flush Ni Community

Comments are closed.