Simplify your online presence. Elevate your brand.

16 Labview Write Data To Tdms

Solved Tdms Write Time Ni Community
Solved Tdms Write Time Ni Community

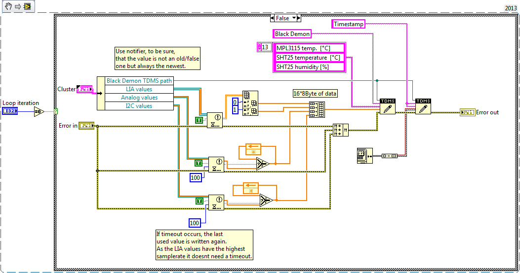
Solved Tdms Write Time Ni Community Streams data to the specified .tdms file. the data subset to write is determined by the values you identify in the group name in and channel name (s) in inputs. Use the advanced tdms vis and functions to perform advanced file i o operations, such as asynchronous reads and writes, on .tdms files. you can use these vis and functions to read data from an existing .tdms file, write data to a new .tdms file, or replace subsets of data in an existing .tdms file.

Write Single Data Point Multiple Channels To Tdms Using Labview Ni
Write Single Data Point Multiple Channels To Tdms Using Labview Ni

Write Single Data Point Multiple Channels To Tdms Using Labview Ni If you wire waveform data to the data input, labview uses waveform names. the data type that the channel name (s) in input accepts can be a string or a 1d array of strings. Tdm streaming, also known as tdms (technical data management streaming), is a powerful feature in labview that allows you to efficiently write data to disk in a structured format. Assalam o alaikum! hello friends, in this video, i am going to show you how to write or save data in tdms file format .more. The wf xname and wf xunit string properties are not set by default in ni labview— you need to add those properties yourself to every waveform channel in the tdms file.

Time Column In Tdms File Write Ni Community
Time Column In Tdms File Write Ni Community

Time Column In Tdms File Write Ni Community Assalam o alaikum! hello friends, in this video, i am going to show you how to write or save data in tdms file format .more. The wf xname and wf xunit string properties are not set by default in ni labview— you need to add those properties yourself to every waveform channel in the tdms file. To get started with tdms, search the labview examples and start with the simplified “write tdms file.vi” and “read tdms file.vi”. you can easily access the tdms functions from the labview palette. Today we have two modules, one in labview core 1 and the other in the using daqmx course, that both focus on performing high speed streaming of data to disk. both modules focus on using a file format called tdms. Reading and writing tdms files using the project in labview c ⃝. today requirements by machine tool users point towards knowing more about the machining processes. Join barron stone for an in depth discussion in this video, log data with write to measurement file, part of data acquisition with labview.

Comments are closed.