Simplify your online presence. Elevate your brand.

Schematic Diagram Definition Example

Schematic Diagram Definition Example
Schematic Diagram Definition Example

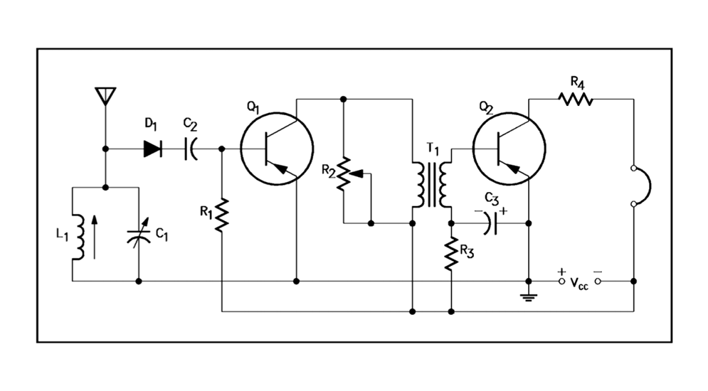
Schematic Diagram Definition Example A schematic diagram in research is a visual tool that represents complex processes, structures, or systems in a simplified, abstract manner. it uses standardized symbols and lines to illustrate relationships and flows, making it easier to understand, communicate, and analyze intricate concepts. The schematic diagram is the logical representation of an electronic system's function, distinct from wiring or layout diagrams. it defines the electrical connectivity between components and serves as the core source for pcb layout and manufacturing deliverables.

Schematic Diagram Definition Example
Schematic Diagram Definition Example

Schematic Diagram Definition Example A schematic diagram is a picture that represents the components of a process, device, or other object using abstract, often standardized symbols and lines. although schematic diagrams are commonly associated with electrical circuits, many examples can be found in other industries. What is a schematic diagram definition and examples? a schematic diagram is an orderly visual representation of the components of a system. it is used to show relationships between circuits, wires, and parts, as well as their respective functions in the overall circuit or system. A schematic, or schematic diagram, is a designed representation of the elements of a system using abstract, graphic symbols rather than realistic pictures. A common point of confusion is the difference between a schematic drawing and a blueprint or physical layout diagram. schematics convey functional connectivity, while blueprints convey physical reality and spatial relationships.

Schematic Diagram Definition Example Circuit Diagram
Schematic Diagram Definition Example Circuit Diagram

Schematic Diagram Definition Example Circuit Diagram A schematic, or schematic diagram, is a designed representation of the elements of a system using abstract, graphic symbols rather than realistic pictures. A common point of confusion is the difference between a schematic drawing and a blueprint or physical layout diagram. schematics convey functional connectivity, while blueprints convey physical reality and spatial relationships. Schematic or circuit diagram a schematic diagram (or circuit diagram) is a graphical representation of an electrical or electronic circuit, showing how components are interconnected. Learn how to make a schematic diagram for science, lab experiments, and research. step by step guide covering rules, symbols, software tools, and examples for biology, chemistry, and physics. In a schematic diagram, each component is represented by a symbol that represents its function. for example, a resistor is represented by a zigzag line, while a capacitor is represented by two parallel lines. What is a schematic diagram? a schematic diagram is a visual representation of a project plan that is prepared using lines and generic icons to keep the drawing extremely simple and easily understandable.

Schematic Diagram Definition Example Circuit Diagram
Schematic Diagram Definition Example Circuit Diagram

Schematic Diagram Definition Example Circuit Diagram Schematic or circuit diagram a schematic diagram (or circuit diagram) is a graphical representation of an electrical or electronic circuit, showing how components are interconnected. Learn how to make a schematic diagram for science, lab experiments, and research. step by step guide covering rules, symbols, software tools, and examples for biology, chemistry, and physics. In a schematic diagram, each component is represented by a symbol that represents its function. for example, a resistor is represented by a zigzag line, while a capacitor is represented by two parallel lines. What is a schematic diagram? a schematic diagram is a visual representation of a project plan that is prepared using lines and generic icons to keep the drawing extremely simple and easily understandable.

Comments are closed.