Simplify your online presence. Elevate your brand.

Interlocks In Control Circuits

Types Of Interlocks Instrumentation Tools
Types Of Interlocks Instrumentation Tools

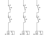
Types Of Interlocks Instrumentation Tools Switch contacts designed to prevent a control system from taking two incompatible actions at once (such as powering an electric motor forward and backward simultaneously) are called interlocks. This document provides a structured comparison of these three control methods, with definitions, working principles, typical applications, and schematic diagrams.

Interlock Control Circuit Diagram
Interlock Control Circuit Diagram

Interlock Control Circuit Diagram Electrical interlocking is a mechanism of electrical controls and devices designed to ensure the safe and orderly operation of electrical circuits, machinery, or equipment by preventing certain actions or conditions unless specific prerequisites are met. An interlock in a control system is a logic based safeguard that prevents a system from entering a dangerous or conflicting state. it works by blocking an action unless specific conditions are met, or by forcing a shutdown when those conditions are violated. This article explains the concept of interlocking in plc, its working principle, advantages, applications, and a clear ladder logic example using a go down wiring system for three rooms. An interlock is a control feature that forces equipment to operate in a safe and defined order. its purpose is to prevent unsafe states by ensuring that one step can occur only when another step or condition has already been satisfied.

Interlock Control Circuit Diagram
Interlock Control Circuit Diagram

Interlock Control Circuit Diagram This article explains the concept of interlocking in plc, its working principle, advantages, applications, and a clear ladder logic example using a go down wiring system for three rooms. An interlock is a control feature that forces equipment to operate in a safe and defined order. its purpose is to prevent unsafe states by ensuring that one step can occur only when another step or condition has already been satisfied. This page titled 6.3: permissive and interlock circuits is shared under a gnu free documentation license 1.3 license and was authored, remixed, and or curated by tony r. kuphaldt (all about circuits) via source content that was edited to the style and standards of the libretexts platform. How electrical interlocks work? an electrical interlock is a system that uses electrical signals to prevent one device from operating until certain conditions are met by another device. Electrical interlocking is a safety device used in control circuits to prevent simultaneous or risky operations of electrical equipment. it ensures dependable sequencing & protection in industrial automation & power systems. Interlocks are indispensable in control systems due to their critical role in ensuring safety, preventing equipment failure, and optimizing operational sequences. the most significant role of an interlock is operator safety.

Comments are closed.