Simplify your online presence. Elevate your brand.

Multi Relay Interlock Circuit Control Electrical Engineering Stack

Multi Relay Interlock Circuit Control Electrical Engineering Stack
Multi Relay Interlock Circuit Control Electrical Engineering Stack

Multi Relay Interlock Circuit Control Electrical Engineering Stack However the word interlock is defined for two devices, so it might be that i am missing the correct terminology to find the component. does anyone know of any topologies, hierarchies or components that could resolve this for me?. In this video, i have explained relay interlocking wiring through clear animation. you’ll learn how to interlock two relays to prevent simultaneous operation.

Multi Relay Interlock Circuit Control Electrical Engineering Stack
Multi Relay Interlock Circuit Control Electrical Engineering Stack

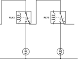
Multi Relay Interlock Circuit Control Electrical Engineering Stack Interlock relays are used in electrical systems to prevent the simultaneous operation of two or more circuits. they ensure that only one circuit can be energized at a time, which helps protect equipment and prevent accidents. Electrical sequence of operation in hardwired relay circuits can be represented by electrical ladder diagram. ladder diagram shows the interconnection of field devices. in the ladder diagram, each rung shows how a field device is turned on and also shows how it interacts with next field devices. The interlocking system ensures that only one contactor can be on while another one will be in off condition even if we try to manually on. next, ato automation will show you the circuit wiring of relay contactor. Electrical contactor interlocking circuit explained with wiring diagrams, operation, and applications in safe motor control.

Multi Relay Interlock Circuit Control Electrical Engineering Stack
Multi Relay Interlock Circuit Control Electrical Engineering Stack

Multi Relay Interlock Circuit Control Electrical Engineering Stack The interlocking system ensures that only one contactor can be on while another one will be in off condition even if we try to manually on. next, ato automation will show you the circuit wiring of relay contactor. Electrical contactor interlocking circuit explained with wiring diagrams, operation, and applications in safe motor control. Read about permissive and interlock circuits (ladder logic) in our free electronics textbook. By completing this article, you will have known what is interlock, why we need it in industry daily life problems, its techniques, and for sure how to program interlock. Time delay relays are commonly used in large motor control circuits to prevent the motor from being started (or reversed) until a certain amount of time has elapsed from an event. With a few minor modifications, we can configure the above electrical interlocking control circuit to start and run each motor individually as shown in the following control diagram.

Comments are closed.