Simplify your online presence. Elevate your brand.

Automatic Star Delta Circuit Control Wiring Today

Automatic Star Delta Circuit Control Wiring Today
Automatic Star Delta Circuit Control Wiring Today

Automatic Star Delta Circuit Control Wiring Today The beginner s guide to wiring a star delta circuit factomart singapore fully automatic star delta starter and controller with wlc agriculture starters siemens india. The main components of the star delta circuit control are the starter motor, coil, and timer. in this article, we will discuss how to wire an automatic star delta circuit control including diagrams and other wiring information.

Wiring Diagram For Star Delta Motor Control Unit
Wiring Diagram For Star Delta Motor Control Unit

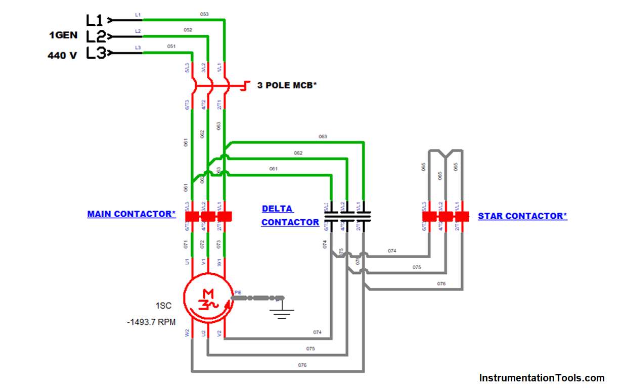
Wiring Diagram For Star Delta Motor Control Unit Whether you're installing a new star delta motor starter, troubleshooting an existing installation, or selecting components like star delta contactors and timers, understanding the principles, wiring, and settings is essential for reliable motor operation. In today’s post, we will show how to program and control a three phase induction motor in star delta using plc with wiring and ladder diagrams. related posts: firstly, the plc reads the status of two buttons – on and off. once the on button is pressed, the timer starts counting time. In this blog, we’ll dive into how an automatic star delta starter operates using a timer, the importance of its power and control wiring, and explore the wiring diagrams to ensure the proper setup for your system. Automatic star delta circuit control by diana clein | may 31, 2023 0 comment control circuit design for star delta motor starters infoupdate org automatic star delta starter power control wiring diagram 44 off star delta starter control circuit diagram with timer electrical working principle of automatic star delta starter control circuit.

Automatic Star Delta Control Circuit Wiring Diagram Schematic
Automatic Star Delta Control Circuit Wiring Diagram Schematic

Automatic Star Delta Control Circuit Wiring Diagram Schematic In this blog, we’ll dive into how an automatic star delta starter operates using a timer, the importance of its power and control wiring, and explore the wiring diagrams to ensure the proper setup for your system. Automatic star delta circuit control by diana clein | may 31, 2023 0 comment control circuit design for star delta motor starters infoupdate org automatic star delta starter power control wiring diagram 44 off star delta starter control circuit diagram with timer electrical working principle of automatic star delta starter control circuit. The power and control circuits of a star delta starter are discussed in this article with the help of an actual star delta starter wiring diagram. A star delta starter is used for starting 3 phase induction motors, minimizing initial electrical overload by starting in a 'star' configuration and then switching to 'delta' after reaching a. 1 wiring and control circuit diagram of automatic star delta starter scientific. iron 3 phase fully automatic star delta starter at rs 7500 in hisar id 17934821233. Here you will learn the connection of star delta starter with three phase motor. the power circuit diagram and control circuit diagram of an automatic star delta starter are explained below.

Automatic Star Delta Circuit Control Wiring Diagram Schematic
Automatic Star Delta Circuit Control Wiring Diagram Schematic

Automatic Star Delta Circuit Control Wiring Diagram Schematic The power and control circuits of a star delta starter are discussed in this article with the help of an actual star delta starter wiring diagram. A star delta starter is used for starting 3 phase induction motors, minimizing initial electrical overload by starting in a 'star' configuration and then switching to 'delta' after reaching a. 1 wiring and control circuit diagram of automatic star delta starter scientific. iron 3 phase fully automatic star delta starter at rs 7500 in hisar id 17934821233. Here you will learn the connection of star delta starter with three phase motor. the power circuit diagram and control circuit diagram of an automatic star delta starter are explained below.

Comments are closed.