Simplify your online presence. Elevate your brand.

Automatic Star Delta Starter Control Circuit Diagram Wiring Digital

Automatic Star Delta Starter Wiring Diagram Circuit Diagram
Automatic Star Delta Starter Wiring Diagram Circuit Diagram

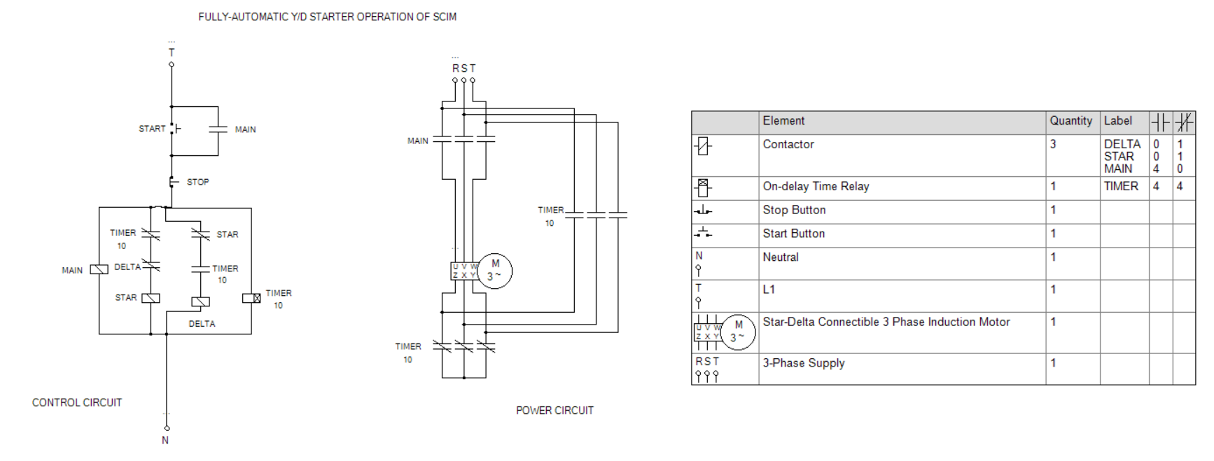
Automatic Star Delta Starter Wiring Diagram Circuit Diagram Master star delta motor starters with our complete guide including wiring diagrams, timer calculations, contactor selection, and troubleshooting tips. learn how to reduce starting current by 33% and protect your 3 phase motors. In this tutorial, we will demonstrate the automatic star delta (y Δ) starting method for 3 phase ac induction motors. this will include providing a schematic, power and control, plc ladder, and wiring diagrams.

Automatic Star Delta Starter Control Wiring Diagram Wiring Digital
Automatic Star Delta Starter Control Wiring Diagram Wiring Digital

Automatic Star Delta Starter Control Wiring Diagram Wiring Digital In this blog, we’ll dive into how an automatic star delta starter operates using a timer, the importance of its power and control wiring, and explore the wiring diagrams to ensure the proper setup for your system. The power and control circuits of a star delta starter are discussed in this article with the help of an actual star delta starter wiring diagram. The wiring diagram for a star delta starter with a timer can be complex. in this guide, we'll look at the components that make up the starter, how they interact and what you need to consider when wiring it up. Once all the components of the automatic star delta starter have been identified, the next step is to understand the wiring diagrams. a wiring diagram shows how each component is connected to each other and how the power supply is distributed throughout the system.

Automatic Star Delta Starter Control Circuit Diagram Wiring Digital
Automatic Star Delta Starter Control Circuit Diagram Wiring Digital

Automatic Star Delta Starter Control Circuit Diagram Wiring Digital The wiring diagram for a star delta starter with a timer can be complex. in this guide, we'll look at the components that make up the starter, how they interact and what you need to consider when wiring it up. Once all the components of the automatic star delta starter have been identified, the next step is to understand the wiring diagrams. a wiring diagram shows how each component is connected to each other and how the power supply is distributed throughout the system. By following the circuit diagram, it is possible to see how the starter is wired and how all the components interact with each other. using a fully automatic star delta starter is an excellent way to ensure that your motor is efficiently, reliably, and safely controlled. The document discusses the star delta starter for 3 phase induction motors, detailing its wiring, power, and control diagrams, including the use of a programmable logic controller (plc). In this post, you will learn complete star delta starter wiring with timer, normally open push button switch, and normally close push button switch. This article will provide an overview of the components of the star delta starter control diagram with timer, and explain how they all work together. the star delta starter control diagram with timer is a complex circuit that requires an experienced electrician to understand and install it correctly.

Automatic Star Delta Starter Control Circuit Diagram Wiring Digital
Automatic Star Delta Starter Control Circuit Diagram Wiring Digital

Automatic Star Delta Starter Control Circuit Diagram Wiring Digital By following the circuit diagram, it is possible to see how the starter is wired and how all the components interact with each other. using a fully automatic star delta starter is an excellent way to ensure that your motor is efficiently, reliably, and safely controlled. The document discusses the star delta starter for 3 phase induction motors, detailing its wiring, power, and control diagrams, including the use of a programmable logic controller (plc). In this post, you will learn complete star delta starter wiring with timer, normally open push button switch, and normally close push button switch. This article will provide an overview of the components of the star delta starter control diagram with timer, and explain how they all work together. the star delta starter control diagram with timer is a complex circuit that requires an experienced electrician to understand and install it correctly.

Automatic Star Delta Starter Control Wiring Diagram Wiring Digital
Automatic Star Delta Starter Control Wiring Diagram Wiring Digital

Automatic Star Delta Starter Control Wiring Diagram Wiring Digital In this post, you will learn complete star delta starter wiring with timer, normally open push button switch, and normally close push button switch. This article will provide an overview of the components of the star delta starter control diagram with timer, and explain how they all work together. the star delta starter control diagram with timer is a complex circuit that requires an experienced electrician to understand and install it correctly.

Automatic Star Delta Starter Control Circuit Diagram Wiring Digital
Automatic Star Delta Starter Control Circuit Diagram Wiring Digital

Automatic Star Delta Starter Control Circuit Diagram Wiring Digital

Comments are closed.