Simplify your online presence. Elevate your brand.

598 Connect Power Supplies In Series To Get More Voltage Two Or More Power Supplies In Series

How To Connect Dc Power Supplies In Series Parallel And Redundant
How To Connect Dc Power Supplies In Series Parallel And Redundant

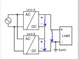
How To Connect Dc Power Supplies In Series Parallel And Redundant In this video i demonstrated how to connect power supplies in series to get more voltage two or more power supplies in series. i shared the series connection. Whether you’re trying to achieve higher supply voltage or simply want to set up redundancy in your system for peace of mind knowing you’re protected from downtime, learning how to connect two dc power supplies in series is a great approach.

Solved Two Power Supplies Are Connected In Series The Chegg
Solved Two Power Supplies Are Connected In Series The Chegg

Solved Two Power Supplies Are Connected In Series The Chegg Series connection of power supplies may be used when higher output voltage is desired than that can be obtained from one power supply. power supplies that are connected in series need to be of similar characteristics and preferably of same manufacturer and same model number. For higher voltage, connect the power supplies in series, adding the voltages of each supply to achieve the desired total voltage. ensure all supplies are compatible and properly grounded. Learn about connecting power supplies in series and connecting power supplies in parallel. understand how to increase maximum output voltage or current. To connect multiple power supplies, one straightforward method is to align them in series. this arrangement is ideal when you need a higher voltage output than what a single power supply can provide. first, ensure that each power supply is set to the same voltage output.

Solved Two Power Supplies Are Connected In Series The Chegg
Solved Two Power Supplies Are Connected In Series The Chegg

Solved Two Power Supplies Are Connected In Series The Chegg Learn about connecting power supplies in series and connecting power supplies in parallel. understand how to increase maximum output voltage or current. To connect multiple power supplies, one straightforward method is to align them in series. this arrangement is ideal when you need a higher voltage output than what a single power supply can provide. first, ensure that each power supply is set to the same voltage output. The outputs of two or more power supplies can be easily connected in series to obtain a combined output with a higher voltage than provided by a readily available standard supply. The reasons for using multiple power supplies may include redundant operation to improve reliability or increased output power. in this post we explore the mechanics as well as the pros and cons of connecting power supplies in parallel or in a series. A simple explanation of a voltage in series circuits. learn how to add voltage sources in series circuits & the formula to add voltages and resistance in series. As such, there is no “adding” of voltages. however, the currents of each power supply will be added together. for multi channel units, combing channels can be done automatically by simply selecting the desired configuration from the front panel or scpi programming.

Comments are closed.