Simplify your online presence. Elevate your brand.

Batteries Multiple Power Supplies In Series Negative Voltage On One

Batteries Multiple Power Supplies In Series Negative Voltage On One
Batteries Multiple Power Supplies In Series Negative Voltage On One

Batteries Multiple Power Supplies In Series Negative Voltage On One Since the current or power limit of the two supplies will not be exactly equal, the "stronger" supply will be able to maintain a small, positive output voltage, and the only way to solve the kvl equation is by back feeding the other supply, with a negative voltage across its output. This means that if you have two batteries in series of the same voltage and amp hour capacity that you have been using for a while, but replace one with a new unit, what you have in reality is one battery with a higher voltage and amperage (the new battery) than the other older battery.

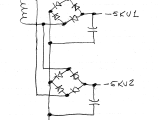
High Voltage Negative Power Supply From Positive Supplies Electrical
High Voltage Negative Power Supply From Positive Supplies Electrical

High Voltage Negative Power Supply From Positive Supplies Electrical Wiring multiple power sources in series will increase the available voltage. first we measure the voltage from each battery. then we wire them in series by connecting the negative lead (connected to aluminum foil) to the positive lead of the other battery. To connect batteries in a series, a jumper wire connects a battery's negative terminal to another battery's positive terminal. this leaves you with a positive terminal at the beginning of the battery pack and a negative terminal at the end of the battery pack for your application. Thus, connecting batteries together in series by connecting the positive terminal of one battery to the negative terminal of the next, increases the total voltage by adding the individual voltages together while keeping the current capacity the same. Increase system voltage safely. this guide covers battery matching, electrical outcomes, step by step wiring, and essential safety precautions.

Combine Multiple Power Supplies With Shared Negative Electrical
Combine Multiple Power Supplies With Shared Negative Electrical

Combine Multiple Power Supplies With Shared Negative Electrical Thus, connecting batteries together in series by connecting the positive terminal of one battery to the negative terminal of the next, increases the total voltage by adding the individual voltages together while keeping the current capacity the same. Increase system voltage safely. this guide covers battery matching, electrical outcomes, step by step wiring, and essential safety precautions. Step by step guide to connecting batteries in parallel and series configurations. extend runtime and increase voltage for your power inverter system. Connecting two power supplies in series can help you achieve a higher voltage and redundancy in your setup. while it sounds complex, we’ve simplified the process for you above so you can hit the ground running if this configuration makes sense for your unique needs. Using multiple batteries in a circuit can be done in series, parallel, or series parallel. here is your beginner’s guide. If you need more voltage, you can add additional batteries to the series: connect the positive terminal of one battery to the negative terminal of the next battery using jumper cables.

Voltage Cells In Series Technical Articles
Voltage Cells In Series Technical Articles

Voltage Cells In Series Technical Articles Step by step guide to connecting batteries in parallel and series configurations. extend runtime and increase voltage for your power inverter system. Connecting two power supplies in series can help you achieve a higher voltage and redundancy in your setup. while it sounds complex, we’ve simplified the process for you above so you can hit the ground running if this configuration makes sense for your unique needs. Using multiple batteries in a circuit can be done in series, parallel, or series parallel. here is your beginner’s guide. If you need more voltage, you can add additional batteries to the series: connect the positive terminal of one battery to the negative terminal of the next battery using jumper cables.

Voltage Cells In Series Technical Articles
Voltage Cells In Series Technical Articles

Voltage Cells In Series Technical Articles Using multiple batteries in a circuit can be done in series, parallel, or series parallel. here is your beginner’s guide. If you need more voltage, you can add additional batteries to the series: connect the positive terminal of one battery to the negative terminal of the next battery using jumper cables.

How To Charge Multiple Batteries With One Solar Panel Energy Theory
How To Charge Multiple Batteries With One Solar Panel Energy Theory

How To Charge Multiple Batteries With One Solar Panel Energy Theory

Comments are closed.