Simplify your online presence. Elevate your brand.

Using A Color Sensor Part 1

Color Sensor A1proto
Color Sensor A1proto

Color Sensor A1proto Enjoy the videos and music you love, upload original content, and share it all with friends, family, and the world on . You can build an arduino color sensor even if you have never tried diy electronics projects before. many beginners find this project fun and easy to start. in fact, 99% of teams in the robocup junior rescue league use arduino color sensors, showing how approachable they are.

Color Sensor Part 1 Tutorial
Color Sensor Part 1 Tutorial

Color Sensor Part 1 Tutorial Hello, in this tutorial we’ll be using the tcs3200, tcs230 or gy 31, color sensor module with arduino uno board, and there will be project using a rgb led to reproduce detected colors. Unleash the power of color detection with arduino! this beginner friendly guide shows you how to build your own color detector. explore applications, components, and step by step instructions. This tutorial demonstrates interfacing a tcs3200d tcs230 color recognition sensor with arduino to measure and identify rgb values from various objects. you'll master sensor calibration techniques and color detection programming. Getting color readings from your world has never been simpler. this guide shows you how to build and code your own arduino color sensor project so you can spot and react to colors in your projects.

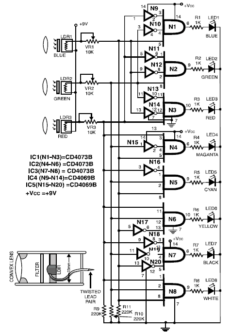
Color Sensor Scheme Electronic Schematic Diagram
Color Sensor Scheme Electronic Schematic Diagram

Color Sensor Scheme Electronic Schematic Diagram This tutorial demonstrates interfacing a tcs3200d tcs230 color recognition sensor with arduino to measure and identify rgb values from various objects. you'll master sensor calibration techniques and color detection programming. Getting color readings from your world has never been simpler. this guide shows you how to build and code your own arduino color sensor project so you can spot and react to colors in your projects. In this post we are going to take a look at rgb color sensor tcs3200, we will understand how the color sensor works and we will be practically testing the tcs3200 sensor with arduino and extract some useful data. Learn how to connect and program a color recognition sensor with arduino. this guide covers wiring, code examples, and tips for using the sensor in your projects. In this tutorial, we will explore how a color sensor works and how to interface it with an arduino to create some cool projects. what is a color sensor? a color sensor detects the color of an object by analyzing the intensity of red, green, and blue (rgb) light reflected from it. In this arduino tutorial we will learn how to detect colors using arduino and the tcs230 tcs3200 color sensor. you can watch the following video or read the written tutorial below for more details.

Color Sensor Prototwin Docs
Color Sensor Prototwin Docs

Color Sensor Prototwin Docs In this post we are going to take a look at rgb color sensor tcs3200, we will understand how the color sensor works and we will be practically testing the tcs3200 sensor with arduino and extract some useful data. Learn how to connect and program a color recognition sensor with arduino. this guide covers wiring, code examples, and tips for using the sensor in your projects. In this tutorial, we will explore how a color sensor works and how to interface it with an arduino to create some cool projects. what is a color sensor? a color sensor detects the color of an object by analyzing the intensity of red, green, and blue (rgb) light reflected from it. In this arduino tutorial we will learn how to detect colors using arduino and the tcs230 tcs3200 color sensor. you can watch the following video or read the written tutorial below for more details.

China Color Sensor Supplier Manufacturer And Factory Fuwei
China Color Sensor Supplier Manufacturer And Factory Fuwei

China Color Sensor Supplier Manufacturer And Factory Fuwei In this tutorial, we will explore how a color sensor works and how to interface it with an arduino to create some cool projects. what is a color sensor? a color sensor detects the color of an object by analyzing the intensity of red, green, and blue (rgb) light reflected from it. In this arduino tutorial we will learn how to detect colors using arduino and the tcs230 tcs3200 color sensor. you can watch the following video or read the written tutorial below for more details.

Comments are closed.