Simplify your online presence. Elevate your brand.

Three Phase Delta Basics Circuitlab

3 Phase Delta Connection Pdf
3 Phase Delta Connection Pdf

3 Phase Delta Connection Pdf Url png circuitlab bbcode markdown html schematic pngs: (download or hot link) small, medium, large circuit url (e mail, im, blog, etc.): circuitlab forums and comments: bbcode (many online discussion forums): markdown: html: open in editor print export. The document outlines a laboratory experiment focused on three phase circuits, detailing the relationships between line and phase quantities in y and delta connections, as well as power measurements and power factor determination.

Three Phase Delta Connection Pdf
Three Phase Delta Connection Pdf

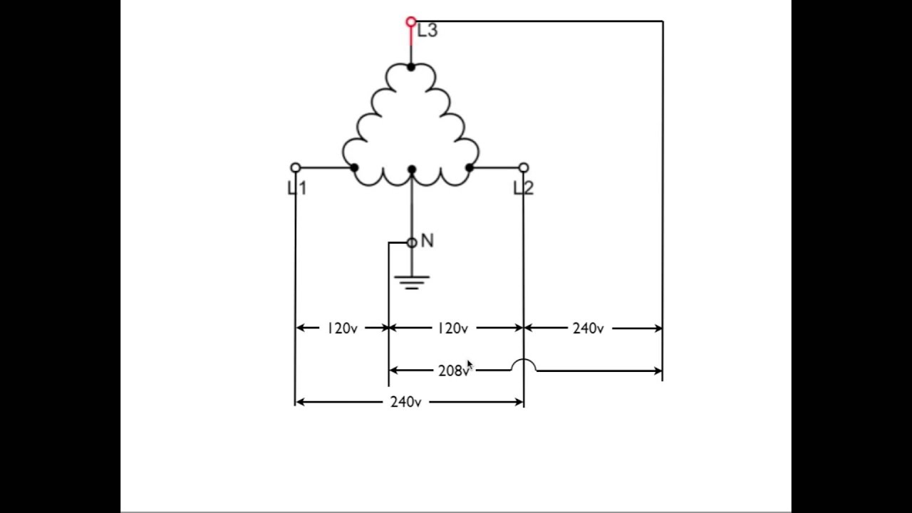
Three Phase Delta Connection Pdf The article provides an overview of the three phase delta connection, explaining the relationships between line and phase voltages and currents, as well as the method for calculating power in balanced loads. Pro winding hubmotor winding basic theory single phase motor winding three phase motor winding star & delta connection coil calculation (formula practical) 2️⃣ practical workshop videos old. What is delta connection (Δ)? delta or mesh connection (Δ) system is also known as three phase three wire system (3 phase 3 wire) and it is the most preferred system for ac power transmission while for distribution, star connection is generally used. Examples are provided to demonstrate calculating phase and line currents and drawing phasor diagrams for delta loads. this document discusses balanced three phase delta connected loads. it covers calculating voltages, currents, and power in delta connected circuits.

Three Phase Delta Basics Circuitlab
Three Phase Delta Basics Circuitlab

Three Phase Delta Basics Circuitlab What is delta connection (Δ)? delta or mesh connection (Δ) system is also known as three phase three wire system (3 phase 3 wire) and it is the most preferred system for ac power transmission while for distribution, star connection is generally used. Examples are provided to demonstrate calculating phase and line currents and drawing phasor diagrams for delta loads. this document discusses balanced three phase delta connected loads. it covers calculating voltages, currents, and power in delta connected circuits. Section 7: three phase circuit fundamentals engr 202 – electrical fundamentals ii. Delta connected system – figure 9.26 shows a balanced three phase, three wire, delta connected system. this arrangement is referred to as mesh connection because it forms a closed circuit. Each phase in a three phase system has a 120 degree electrical phase difference, dividing the total 360 degrees into three equal parts. this ensures continuous power generation as all three phases work together. Three phase systems, also referred to as three phase circuits, are polyphase systems that have three phases, as their name implies. they are no more complicated to solve than single phase circuits.

Comments are closed.