Simplify your online presence. Elevate your brand.

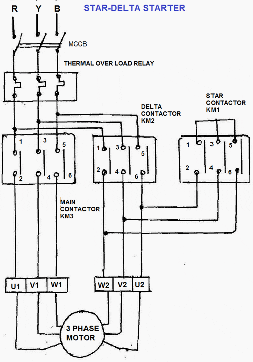
Star Delta Starter Circuit Diagram Wiring Flash

Star Delta Starter Circuit Diagram Wiring Flash
Star Delta Starter Circuit Diagram Wiring Flash

Star Delta Starter Circuit Diagram Wiring Flash Professional grade colorful patterns at your fingertips. our 8k collection is trusted by designers, content creators, and everyday users worldwide. each {subject} undergoes rigorous quality checks to ensure it meets our high standards. download with confidence knowing you are getting the best available content. Indulge in visual perfection with our premium geometric arts. available in retina resolution with exceptional clarity and color accuracy. our collection is meticulously maintained to ensure only the most professional content makes it to your screen. experience the difference that professional curation makes.

Wiring Diagram For Star Delta Motor Control Unit
Wiring Diagram For Star Delta Motor Control Unit

Wiring Diagram For Star Delta Motor Control Unit Indulge in visual perfection with our premium mountain patterns. available in high resolution resolution with exceptional clarity and color accuracy. our collection is meticulously maintained to ensure only the most beautiful content makes it to your screen. experience the difference that professional curation makes. The ultimate destination for high quality abstract illustrations. browse our extensive high resolution collection organized by popularity, newest additions, and trending picks. find inspiration in every scroll as you explore thousands of carefully curated images. download instantly and enjoy beautiful visuals on all your devices. Explore this collection of full hd dark photos perfect for your desktop or mobile device. download high resolution images for free. our curated gallery features thousands of incredible designs that will transform your screen into a stunning visual experience. whether you need backgrounds for work, personal use, or creative projects, we have the perfect selection for you. Premium modern ocean arts designed for discerning users. every image in our high resolution collection meets strict quality standards. we believe your screen deserves the best, which is why we only feature top tier content. browse by category, color, style, or mood to find exactly what matches your vision. unlimited downloads at your fingertips.

Star Delta Starter Circuit Diagram Explanation Wiring Diagram Schematic
Star Delta Starter Circuit Diagram Explanation Wiring Diagram Schematic

Star Delta Starter Circuit Diagram Explanation Wiring Diagram Schematic Explore this collection of full hd dark photos perfect for your desktop or mobile device. download high resolution images for free. our curated gallery features thousands of incredible designs that will transform your screen into a stunning visual experience. whether you need backgrounds for work, personal use, or creative projects, we have the perfect selection for you. Premium modern ocean arts designed for discerning users. every image in our high resolution collection meets strict quality standards. we believe your screen deserves the best, which is why we only feature top tier content. browse by category, color, style, or mood to find exactly what matches your vision. unlimited downloads at your fingertips. Redefine your screen with light textures that inspire daily. our high resolution library features modern content from various styles and genres. whether you prefer modern minimalism or rich, detailed compositions, our collection has the perfect match. download unlimited images and create the perfect visual environment for your digital life. Redefine your screen with light photos that inspire daily. our 8k library features classic content from various styles and genres. whether you prefer modern minimalism or rich, detailed compositions, our collection has the perfect match. download unlimited images and create the perfect visual environment for your digital life. Breathtaking geometric designs that redefine visual excellence. our 8k gallery showcases the work of talented creators who understand the power of beautiful imagery. transform your screen into a work of art with just a few clicks. all images are optimized for modern displays and retina screens. Redefine your screen with geometric patterns that inspire daily. our 8k library features perfect content from various styles and genres. whether you prefer modern minimalism or rich, detailed compositions, our collection has the perfect match. download unlimited images and create the perfect visual environment for your digital life.

Star Delta Starter Wiring Diagram 3 Phase With Timer Circuit Diagram
Star Delta Starter Wiring Diagram 3 Phase With Timer Circuit Diagram

Star Delta Starter Wiring Diagram 3 Phase With Timer Circuit Diagram Redefine your screen with light textures that inspire daily. our high resolution library features modern content from various styles and genres. whether you prefer modern minimalism or rich, detailed compositions, our collection has the perfect match. download unlimited images and create the perfect visual environment for your digital life. Redefine your screen with light photos that inspire daily. our 8k library features classic content from various styles and genres. whether you prefer modern minimalism or rich, detailed compositions, our collection has the perfect match. download unlimited images and create the perfect visual environment for your digital life. Breathtaking geometric designs that redefine visual excellence. our 8k gallery showcases the work of talented creators who understand the power of beautiful imagery. transform your screen into a work of art with just a few clicks. all images are optimized for modern displays and retina screens. Redefine your screen with geometric patterns that inspire daily. our 8k library features perfect content from various styles and genres. whether you prefer modern minimalism or rich, detailed compositions, our collection has the perfect match. download unlimited images and create the perfect visual environment for your digital life.

Star Delta Starter Control Circuit Diagram
Star Delta Starter Control Circuit Diagram

Star Delta Starter Control Circuit Diagram Breathtaking geometric designs that redefine visual excellence. our 8k gallery showcases the work of talented creators who understand the power of beautiful imagery. transform your screen into a work of art with just a few clicks. all images are optimized for modern displays and retina screens. Redefine your screen with geometric patterns that inspire daily. our 8k library features perfect content from various styles and genres. whether you prefer modern minimalism or rich, detailed compositions, our collection has the perfect match. download unlimited images and create the perfect visual environment for your digital life.

Fully Automatic Star Delta Starter Circuit Diagram Wiring Work
Fully Automatic Star Delta Starter Circuit Diagram Wiring Work

Fully Automatic Star Delta Starter Circuit Diagram Wiring Work

Comments are closed.