Simplify your online presence. Elevate your brand.

Sru Process Youtube

Sru Description Pdf Input Output Microcontroller
Sru Description Pdf Input Output Microcontroller

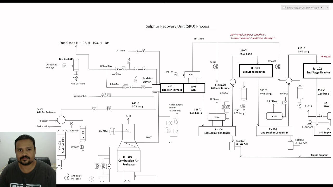
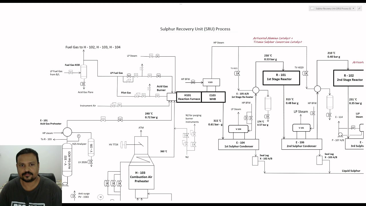
Sru Description Pdf Input Output Microcontroller Subscribed 710 29k views 4 years ago sulphur recovery process and tail gas treatment process more. Therefore, refineries include at least one, and often multiple, sulfur recovery units (sru) to convert the h2s in these acid gas streams to elemental sulfur. the main objective of this post is to describe the process controls for a typical sulfur recovery unit.

Sru Flow Diagram Pdf Barrel Unit Hydrocarbons
Sru Flow Diagram Pdf Barrel Unit Hydrocarbons

Sru Flow Diagram Pdf Barrel Unit Hydrocarbons Learn about the process flow diagram of a sulphur recovery unit and how it helps in the recovery of sulphur from hydrocarbon streams. In this process, the h2s level in liquid sulfur is reduced to below 10 ppmw, without using catalyst, which improves safety during liquid sulfur handling. offgas of the sulfur stripper can be routed to the claus unit or to an incinerator. The document outlines the sulphur recovery unit (sru) with various design cases for crude feed capacities, detailing the operational capacity of each sru train. it includes a simplified process flow diagram illustrating the different components and processes involved in sulphur recovery. This video covers fundamentals of claus process, focusing on process chemistry, design principles, and typical configurations. we'll discuss how to optimize conversion and recovery efficiency, manage key operating parameters like the h2s ratio, and implement best operating practices.

Sru Training Ppt 1 Pdf Catalysis Refractory
Sru Training Ppt 1 Pdf Catalysis Refractory

Sru Training Ppt 1 Pdf Catalysis Refractory The document outlines the sulphur recovery unit (sru) with various design cases for crude feed capacities, detailing the operational capacity of each sru train. it includes a simplified process flow diagram illustrating the different components and processes involved in sulphur recovery. This video covers fundamentals of claus process, focusing on process chemistry, design principles, and typical configurations. we'll discuss how to optimize conversion and recovery efficiency, manage key operating parameters like the h2s ratio, and implement best operating practices. Hydrogen sulfide (h 2 s) is removed in the agr process and sent to the sulfur recovery unit (sru) as acid gas, to be recovered as elemental sulfur through claus reaction as shown below. the reaction occurs in two stages: the flame reaction stage and the catalytic reaction stage. Participants will develop a clear understanding of how srus convert hydrogen sulfide (hโ‚‚s) into elemental sulfur while protecting downstream equipment and reducing emissions. The document provides information about a sulphur recovery unit (sru) including: 1) the sru converts sulfur compounds from acid gas feeds into liquid elemental sulfur through a claus process and incinerates various gas streams. The operation of an sru (sulphur recovery unit) involves multiple steps that transform hydrogen sulfide gas into usable sulphur while minimizing environmental pollution.

Sru Process Youtube
Sru Process Youtube

Sru Process Youtube Hydrogen sulfide (h 2 s) is removed in the agr process and sent to the sulfur recovery unit (sru) as acid gas, to be recovered as elemental sulfur through claus reaction as shown below. the reaction occurs in two stages: the flame reaction stage and the catalytic reaction stage. Participants will develop a clear understanding of how srus convert hydrogen sulfide (hโ‚‚s) into elemental sulfur while protecting downstream equipment and reducing emissions. The document provides information about a sulphur recovery unit (sru) including: 1) the sru converts sulfur compounds from acid gas feeds into liquid elemental sulfur through a claus process and incinerates various gas streams. The operation of an sru (sulphur recovery unit) involves multiple steps that transform hydrogen sulfide gas into usable sulphur while minimizing environmental pollution.

Sru Youtube
Sru Youtube

Sru Youtube The document provides information about a sulphur recovery unit (sru) including: 1) the sru converts sulfur compounds from acid gas feeds into liquid elemental sulfur through a claus process and incinerates various gas streams. The operation of an sru (sulphur recovery unit) involves multiple steps that transform hydrogen sulfide gas into usable sulphur while minimizing environmental pollution.

Sru Sulfur Recovery Unit Hindi Version Youtube
Sru Sulfur Recovery Unit Hindi Version Youtube

Sru Sulfur Recovery Unit Hindi Version Youtube

Comments are closed.