Simplify your online presence. Elevate your brand.

Simulink Tutorial Fixing The Algebraic Loop

Algebraic Loop Guy On Simulink Matlab Simulink
Algebraic Loop Guy On Simulink Matlab Simulink

Algebraic Loop Guy On Simulink Matlab Simulink When a model contains an algebraic loop, simulink uses a nonlinear solver at each time step to solve the algebraic loop. the solver performs iterations to determine the solution to the algebraic constraint, if there is one. Simulink is a powerful tool for modeling, simulating, and analyzing dynamic systems. however, one common issue users encounter is the creation of algebraic loops. an algebraic loop occurs.

Simulink What Is An Algebraic Loop Model Based Design
Simulink What Is An Algebraic Loop Model Based Design

Simulink What Is An Algebraic Loop Model Based Design In your case, i would suggest highlighting the algebraic loop (as per the doc in the hyperlink above), and try inserting a unit delay in the loop. the doc shows how to do this. The document discusses algebraic loops in simulink models which occur when there is a direct feedthrough path in a signal loop within a model. algebraic loops create differential algebraic equations that must be solved numerically at each time step using an algebraic loop solver. In simulink, it is common to see algebraic loops when the input to a system is an algebraic function of the output of the system. if that is the case with your system, then you could add a. To cause simulink to highlight algebraic loops that it detects when updating or simulating a model, set the algebraic loop diagnostic on the diagnostics pane of the simulation parameters dialog box to error (see configuration options for more information).

Simulink What Is An Algebraic Loop Model Based Design
Simulink What Is An Algebraic Loop Model Based Design

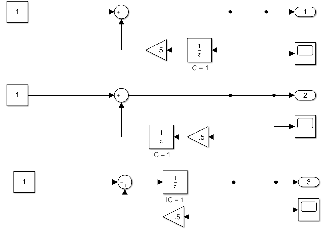
Simulink What Is An Algebraic Loop Model Based Design In simulink, it is common to see algebraic loops when the input to a system is an algebraic function of the output of the system. if that is the case with your system, then you could add a. To cause simulink to highlight algebraic loops that it detects when updating or simulating a model, set the algebraic loop diagnostic on the diagnostics pane of the simulation parameters dialog box to error (see configuration options for more information). Let’s look at how simulink would like you to set this up and then look at what that does depending on how you break the algebraic loop. we have three examples of breaking the algebraic loop. This bundling can cause simulink to detect an algebraic loop, even when an algebraic constraint does not exist. if you redirect one or more signals, you may be able to remove the artificial algebraic loop. If simulink ® reports an algebraic loop in your model, the algebraic loop solver may be able to solve the loop. if simulink cannot solve the loop, there are several techniques to eliminate the loop. If an algebraic loop is detected you have two options: leave the algebraic loop intact, or eliminate it. if the speed of execution of the model is acceptable, leaving the loop is probably the better choice.

Comments are closed.