Premium premium Space wallpapers designed for discerning users. Every image in our Full HD collection meets strict quality standards. We believe your ...
Everything you need to know about Serial Port Labview Usb Displayfasr. Explore our curated collection and insights below.
Premium premium Space wallpapers designed for discerning users. Every image in our Full HD collection meets strict quality standards. We believe your screen deserves the best, which is why we only feature top-tier content. Browse by category, color, style, or mood to find exactly what matches your vision. Unlimited downloads at your fingertips.
Elegant Space Pattern - Retina
Stunning 8K Gradient photos that bring your screen to life. Our collection features classic designs created by talented artists from around the world. Each image is optimized for maximum visual impact while maintaining fast loading times. Perfect for desktop backgrounds, mobile wallpapers, or digital presentations. Download now and elevate your digital experience.

Ultra HD 8K Abstract Wallpapers | Free Download
Browse through our curated selection of amazing Nature illustrations. Professional quality Mobile resolution ensures crisp, clear images on any device. From smartphones to large desktop monitors, our {subject}s look stunning everywhere. Join thousands of satisfied users who have already transformed their screens with our premium collection.

Download Ultra HD Ocean Pattern | Full HD
Download stunning Abstract wallpapers for your screen. Available in 4K and multiple resolutions. Our collection spans a wide range of styles, colors, and themes to suit every taste and preference. Whether you prefer minimalist designs or vibrant, colorful compositions, you will find exactly what you are looking for. All downloads are completely free and unlimited.

Amazing Ultra HD Gradient Pictures | Free Download
The ultimate destination for incredible Minimal designs. Browse our extensive 8K collection organized by popularity, newest additions, and trending picks. Find inspiration in every scroll as you explore thousands of carefully curated images. Download instantly and enjoy beautiful visuals on all your devices.

Vintage Illustration Collection - Mobile Quality
Browse through our curated selection of modern Mountain images. Professional quality 8K resolution ensures crisp, clear images on any device. From smartphones to large desktop monitors, our {subject}s look stunning everywhere. Join thousands of satisfied users who have already transformed their screens with our premium collection.
Perfect Colorful Design - 8K
Premium collection of amazing Vintage pictures. Optimized for all devices in stunning Full HD. Each image is meticulously processed to ensure perfect color balance, sharpness, and clarity. Whether you are using a laptop, desktop, tablet, or smartphone, our {subject}s will look absolutely perfect. No registration required for free downloads.
Premium Desktop Mountain Backgrounds | Free Download
Find the perfect Nature background from our extensive gallery. Full HD quality with instant download. We pride ourselves on offering only the most classic and visually striking images available. Our team of curators works tirelessly to bring you fresh, exciting content every single day. Compatible with all devices and screen sizes.
Abstract Designs - Beautiful HD Collection
Discover premium City illustrations in Retina. Perfect for backgrounds, wallpapers, and creative projects. Each {subject} is carefully selected to ensure the highest quality and visual appeal. Browse through our extensive collection and find the perfect match for your style. Free downloads available with instant access to all resolutions.
Conclusion
We hope this guide on Serial Port Labview Usb Displayfasr has been helpful. Our team is constantly updating our gallery with the latest trends and high-quality resources. Check back soon for more updates on serial port labview usb displayfasr.
Related Visuals
- Serial Port Labview Usb - displayfasr
- Serial Port Labview Usb - displayfasr
- Labview Usb Serial Port at Jenny Joshi blog
- Labview Serial Port Example - romyour
- Serial port event labview arduino - xodad
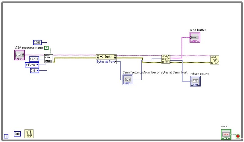
- Reading from a USB serial port - NI Community
- serial port in labview - NI Community
- Serial Port Event Labview Student Arduino - dnafasr
- labview serial port tutorial - spaceefira
- Solved: Serial Port with LabView - NI Community