Simplify your online presence. Elevate your brand.

Registers And Counters

Registers And Counters Pdf Digital Technology Computer Architecture
Registers And Counters Pdf Digital Technology Computer Architecture

Registers And Counters Pdf Digital Technology Computer Architecture We will explore the definitions, examples, applications, advantages, and disadvantages of registers and counters, illuminating their functions in systems in this article. Comprehensive guide to registers, counters, and synchronous circuits in digit 1. the document discusses different types of registers, counters, and shift registers including their components, functions, and loading shifting processes. 2. it also covers synchronous and asynchronous counters as well as ring and johnson counters. 3.

Ch 6 Registers And Counters Pdf Electronics Electronic Engineering
Ch 6 Registers And Counters Pdf Electronics Electronic Engineering

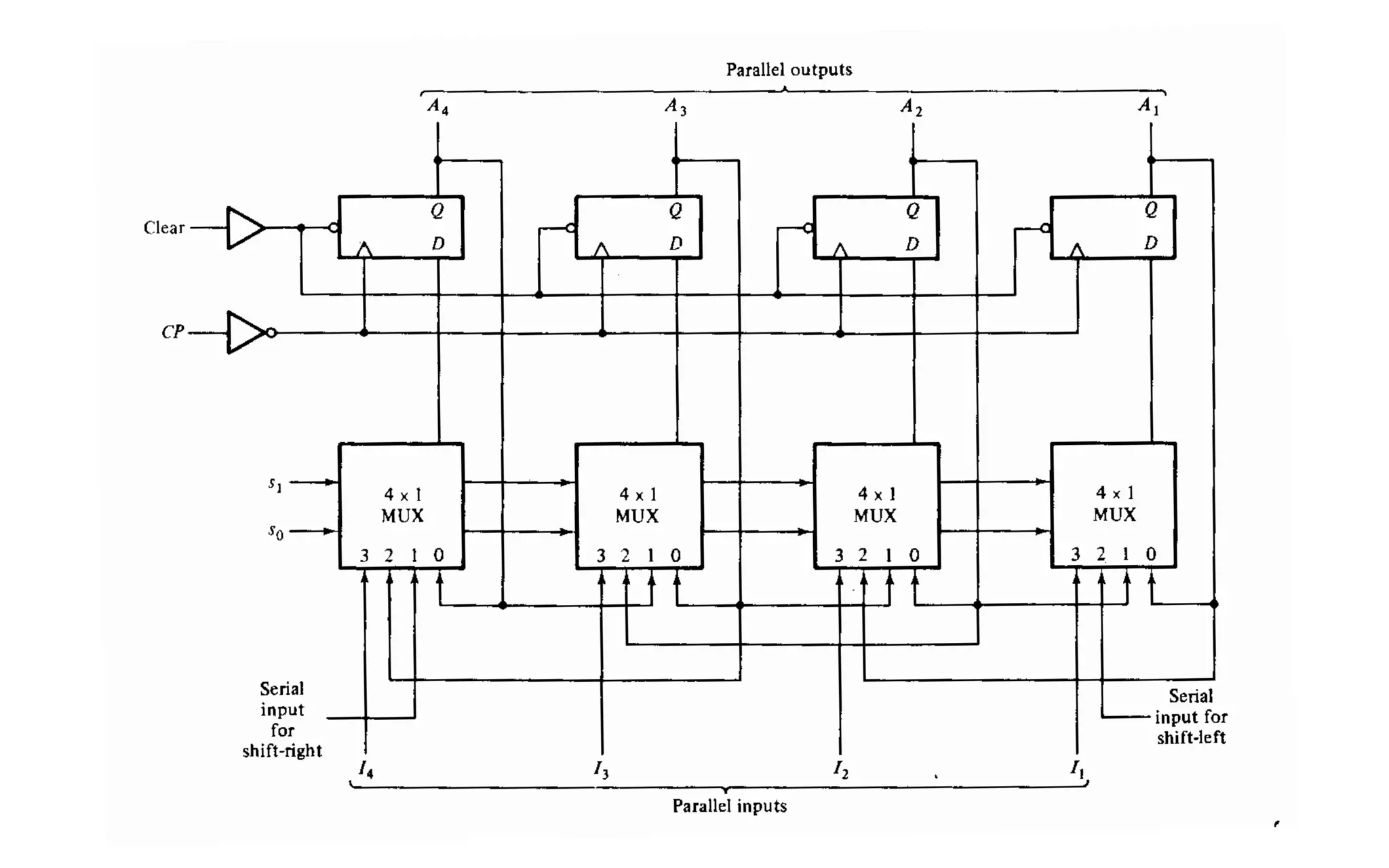
Ch 6 Registers And Counters Pdf Electronics Electronic Engineering A register capable of shifting its binary information in one or both direction is called shift register. all flip flops receive common clock pulses, which activate the shift from one stage to the next. the simplest possible shift register is one that uses only flip flops, as shown in fig. 6 3. Learn about registers and counters, two important components of digital logic design. find out how to design and implement them using flip flops, shift registers, and synchronous counters. Explore registers, counters, shift registers, and more in these digital electronics lecture notes. perfect for college level study. Counters • a counter is essentially a register that goes through a predetermined sequence of states ff0.

Registers And Counters Pdf
Registers And Counters Pdf

Registers And Counters Pdf Explore registers, counters, shift registers, and more in these digital electronics lecture notes. perfect for college level study. Counters • a counter is essentially a register that goes through a predetermined sequence of states ff0. Home work suppose we want to design a counter with 1,2,3,4,5,6,7,8,9 sequence (mod 9 counter)?. Question: how to control the loading of data into a register? question: how to implement register load? how to count down? inputs kb and kc have only 1’s and x’s. therefore, kb = kc = 1. A simple analogy: a register is a sticky note where you can write any number and replace it whenever you want. a counter is a turnstile that clicks forward each time someone walks through. you can look at its current position, but the whole purpose is that it advances predictably. In this lecture, we will focus on two very important digital building blocks: counters which can either count events or keep time information, and shift registers, which is most useful in conversion between serial and parallel data formats.

Registers And Counters Pdf
Registers And Counters Pdf

Registers And Counters Pdf Home work suppose we want to design a counter with 1,2,3,4,5,6,7,8,9 sequence (mod 9 counter)?. Question: how to control the loading of data into a register? question: how to implement register load? how to count down? inputs kb and kc have only 1’s and x’s. therefore, kb = kc = 1. A simple analogy: a register is a sticky note where you can write any number and replace it whenever you want. a counter is a turnstile that clicks forward each time someone walks through. you can look at its current position, but the whole purpose is that it advances predictably. In this lecture, we will focus on two very important digital building blocks: counters which can either count events or keep time information, and shift registers, which is most useful in conversion between serial and parallel data formats.

Solution Registers And Counters Studypool
Solution Registers And Counters Studypool

Solution Registers And Counters Studypool A simple analogy: a register is a sticky note where you can write any number and replace it whenever you want. a counter is a turnstile that clicks forward each time someone walks through. you can look at its current position, but the whole purpose is that it advances predictably. In this lecture, we will focus on two very important digital building blocks: counters which can either count events or keep time information, and shift registers, which is most useful in conversion between serial and parallel data formats.

Comments are closed.