Simplify your online presence. Elevate your brand.

Positive And Negative Output Boost Converter

Positive Negative Voltage Regulator Boost Converter Boost Buck
Positive Negative Voltage Regulator Boost Converter Boost Buck

Positive Negative Voltage Regulator Boost Converter Boost Buck Many applications require negative and positive voltage rails to power the amplifiers from a 3.3 v or 5 v power supply. taking the tlv61048 device as an example, this document demonstrates a simple, cost effective boost converter and discrete charge pump circuit to generate ±12 v voltage rails. This application note explains how to generate a negative voltage from positive input voltage using max17291 for applications, such as lcd displays, gate drivers, etc. it also includes information on implementing the active discharge feature.

Positive Negative Voltage Converter Dc Dc Positive Negative Voltage
Positive Negative Voltage Converter Dc Dc Positive Negative Voltage

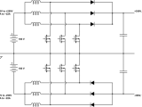
Positive Negative Voltage Converter Dc Dc Positive Negative Voltage In order to generate a negative output voltage from a positive input voltage, the designer would usually opt for the buck boost topology or possibly a sepic converter, both of which offer reasonable efficiency that is much higher than a linear regulator. With a 12 v input voltage (figure 12), the st1s03 should be able to provide up to 1.3 a of output current with good stability and performance. it is important not to exceed the maximum switching current limitation of 2.5 a that flows in the inductor. Buck boost solutions and other topologies such as a sepic solve this problem, but they tend to be more complicated and expensive. the positive to negative converter topology presented here combines the simplicity of a step down converter and the regulation range of a buck boost topology. While the output current is limited to 50 ma, this solution is much more emi friendly and integrates both positive and negative output rails in just one ic. with very low output noise, it is quite helpful in precision instrumentation applications to drive low power op amps and data converters.

High Power Positive Negative To Positive Negative Boost Converter
High Power Positive Negative To Positive Negative Boost Converter

High Power Positive Negative To Positive Negative Boost Converter Buck boost solutions and other topologies such as a sepic solve this problem, but they tend to be more complicated and expensive. the positive to negative converter topology presented here combines the simplicity of a step down converter and the regulation range of a buck boost topology. While the output current is limited to 50 ma, this solution is much more emi friendly and integrates both positive and negative output rails in just one ic. with very low output noise, it is quite helpful in precision instrumentation applications to drive low power op amps and data converters. Diy boost converter with positive and negative outputs using the mc34063a and icl7660s. A buck boost converter is an energy efficient dc dc (direct current) converter that steps down and inverts the voltage from positive to negative. the name is "buck" because the output is less than the input voltage (e.g., 10v output is less than 3v input). Versatility: the boost converter has built in frequency compensation, function, thermal shutdown function and current limit function. widely used: the boost converter can be used in adc, dac, operational amplifier, audio equipment, lcd power supply, etc. Since current is being pulled from the top side of c5 and being deposited at ground, a negative voltage develops across c5. d2 and r10 are then used to control the output voltage in the same way that d5 and r11 are used to control the positive output voltage.

Comments are closed.