Simplify your online presence. Elevate your brand.

Part 1 Modbus Tcp Client Tutorial Building The Modbus Function Block

Modbus Tcp Client Logic Beach Inc
Modbus Tcp Client Logic Beach Inc

Modbus Tcp Client Logic Beach Inc In this video, we start building a modbus tcp client in omron sysmac studio from scratch. Modbusfb examples.project shows how to use the modbusfb piled library to create standard modbus tcp serial servers and clients.

Modbus Tcp Function Block Documentation Pdf Subroutine Boolean
Modbus Tcp Function Block Documentation Pdf Subroutine Boolean

Modbus Tcp Function Block Documentation Pdf Subroutine Boolean It provides an example configuration and explains how to set up modbus tcp communication using function blocks, including an example program flow. references to additional function block documentation are also included. This project will utilize the modbus tcp fieldbus device in the master mode topology and requires a modbus slave device to be connected to the applicable ethernet port. Plcnext technology from phoenix contact is a unique, open ecosystem for modern automation that is capable of meeting all the challenges of the iot world. use grpc reflection to interface python scripts with plcnext engineer projects. The modbus tcp specification followed by codesys 3.5 sp16 states that the modbus server is addressed using its ip address, and therefore the modbus unit identifier is useless.

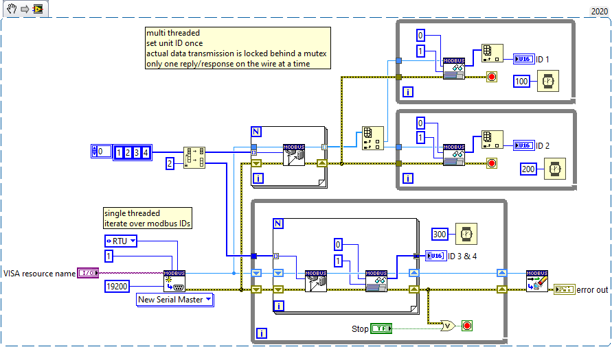
Single Modbus Tcp Master Reading Multiple Modbus Tcp Slaves Ni Community
Single Modbus Tcp Master Reading Multiple Modbus Tcp Slaves Ni Community

Single Modbus Tcp Master Reading Multiple Modbus Tcp Slaves Ni Community Plcnext technology from phoenix contact is a unique, open ecosystem for modern automation that is capable of meeting all the challenges of the iot world. use grpc reflection to interface python scripts with plcnext engineer projects. The modbus tcp specification followed by codesys 3.5 sp16 states that the modbus server is addressed using its ip address, and therefore the modbus unit identifier is useless. In the user program of the s7 1500 cpu, the "mb client" and "mb server" instructions are called for each modbus tcp connection with a unique id and separate instance. the "mb client" and "mb server" instructions are called each time in a separate function block. The modicon m258 logic controller implements both client and server services so that it can initiate communications to other controllers and i o devices, and to respond to requests from other controllers, scada, hmis, and other devices. This document describes how to use modbustcpclient and modbustcpportm for modbus communication in m580 standalone and hotstandby. in ecostruxure control expert ( unity). Understand modbus rtu: memory areas (coils, registers), function codes, querying format & response layout in this beginner’s guide.

Modbus Tcp Page 3 Ni Community
Modbus Tcp Page 3 Ni Community

Modbus Tcp Page 3 Ni Community In the user program of the s7 1500 cpu, the "mb client" and "mb server" instructions are called for each modbus tcp connection with a unique id and separate instance. the "mb client" and "mb server" instructions are called each time in a separate function block. The modicon m258 logic controller implements both client and server services so that it can initiate communications to other controllers and i o devices, and to respond to requests from other controllers, scada, hmis, and other devices. This document describes how to use modbustcpclient and modbustcpportm for modbus communication in m580 standalone and hotstandby. in ecostruxure control expert ( unity). Understand modbus rtu: memory areas (coils, registers), function codes, querying format & response layout in this beginner’s guide.

Comments are closed.