Simplify your online presence. Elevate your brand.

Op Amps Parametric Eq

Parametric Eq 101 Precise Control Like Never Before Tips
Parametric Eq 101 Precise Control Like Never Before Tips

Parametric Eq 101 Precise Control Like Never Before Tips Before watching this video, it is strongly suggested that you watch the videos covering the other audio eq circuits and the state variable filter in the op amps playlist. The main purpose of this article is to introduce the reader to a flexible equaliser circuit that can be used for hi fi, mixing consoles, instrument amplifiers (especially bass guitar) or anywhere else that a simple and predictable 'parametric' equaliser is needed.

Iti Mep 230 Parametric Equalizer Eq Original Op Amps Incredible Me 230
Iti Mep 230 Parametric Equalizer Eq Original Op Amps Incredible Me 230

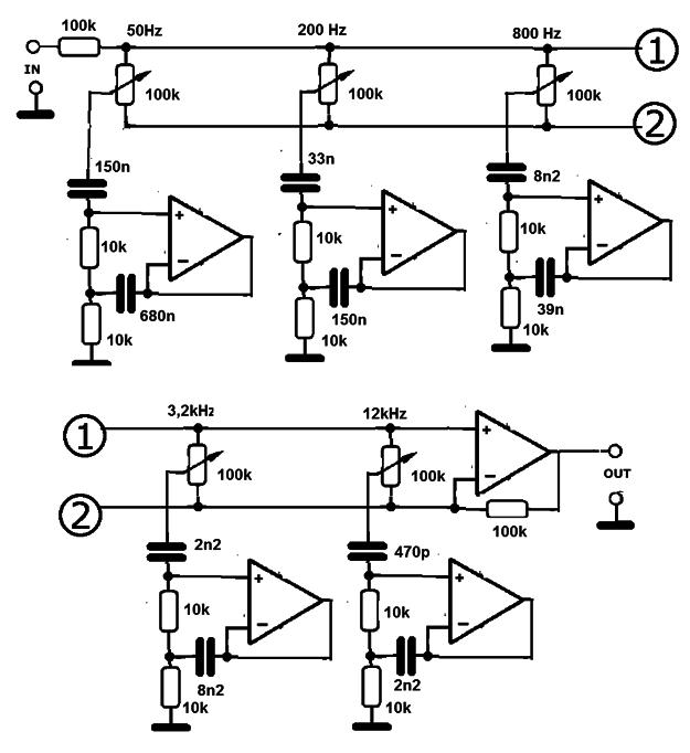
Iti Mep 230 Parametric Equalizer Eq Original Op Amps Incredible Me 230 To solve these problems and make the unit more compact the potentiometers have been moved on the board, all the components are smds and, lo and behold!, the board is double sided. yep, the original board was single sided; welcome to the 80s when you had to get the acid bath out to create your boards. In this project, we will design an active tone control circuit powered by an op amp with a pcb design. it will work with a 12v power supply and will have bass, treble, and mid frequency control so that the output audio can be adjusted as required. This document provides instructions for building a 3 band parametric equalizer circuit. it has full control of frequency and q adjustment via potentiometers. the design uses an op amp circuit with a charge pump to provide more headroom and a rectifier to eliminate polarity issues. The parametric equalizer schematic diagram typically includes several key components, such as potentiometers, op amps, capacitors, and resistors. these components work together to create adjustable filters that can be used to boost or cut specific frequencies.

Parametric Eq Circuit Circuit Diagram
Parametric Eq Circuit Circuit Diagram

Parametric Eq Circuit Circuit Diagram This document provides instructions for building a 3 band parametric equalizer circuit. it has full control of frequency and q adjustment via potentiometers. the design uses an op amp circuit with a charge pump to provide more headroom and a rectifier to eliminate polarity issues. The parametric equalizer schematic diagram typically includes several key components, such as potentiometers, op amps, capacitors, and resistors. these components work together to create adjustable filters that can be used to boost or cut specific frequencies. The current flagship portable bluetooth dac amp, btr17 from the house of fiio, supports a 10 band high precision parametric equalizer function. the best part is that this peq can be used in both bluetooth and usb connection modes. Part of our three part series, familiarizing you with the controls and features of a modern bass amplifier, this page covers parametric and semi parametric eq, phase controls, notch and low cut filters, effects loops, and di outputs. Home amplifiers solid state best quad op amps (operational amplifier ic's) for parametric equalizer. Although there are a few different types of eq, in this article we will focus primarily on what a parametric eq is, how it differs from other types of eq, and how we can use it to improve our productions.

Parametric Eq Circuit Diagram Wiring Diagram
Parametric Eq Circuit Diagram Wiring Diagram

Parametric Eq Circuit Diagram Wiring Diagram The current flagship portable bluetooth dac amp, btr17 from the house of fiio, supports a 10 band high precision parametric equalizer function. the best part is that this peq can be used in both bluetooth and usb connection modes. Part of our three part series, familiarizing you with the controls and features of a modern bass amplifier, this page covers parametric and semi parametric eq, phase controls, notch and low cut filters, effects loops, and di outputs. Home amplifiers solid state best quad op amps (operational amplifier ic's) for parametric equalizer. Although there are a few different types of eq, in this article we will focus primarily on what a parametric eq is, how it differs from other types of eq, and how we can use it to improve our productions.

Comments are closed.