Simplify your online presence. Elevate your brand.

Mod N Counter Using Ic 7490

10brealization Of Mod N Counter Using Ic 7490 Pdf Electronic Design
10brealization Of Mod N Counter Using Ic 7490 Pdf Electronic Design

10brealization Of Mod N Counter Using Ic 7490 Pdf Electronic Design The document describes using the 7490 integrated circuit to create a ripple counter that counts from 0 to 9 (modulo 10). it contains: 1) an overview of the 7490 decade counter ic and its basic internal structure as a modulo 5 counter cascaded with a modulo 2 counter. Ic 7490 is asynchronous mod 10 counter ic. in this article, we are going to study ic 7490 decade counter circuit. ic 7490 is also known as bcd counter, decade counter, and mod 10. these names are given based on the functionality and working principle of ic 7490.

10brealization Of Mod N Counter Using Ic 7490 Pdf Electronic Design
10brealization Of Mod N Counter Using Ic 7490 Pdf Electronic Design

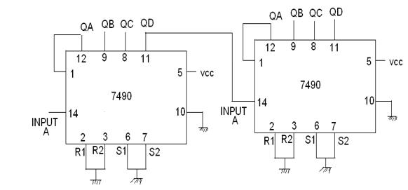
10brealization Of Mod N Counter Using Ic 7490 Pdf Electronic Design Ripple counter ic 7490 is a t.t.l m.s.i decade counter. it contains two counter circuits mod 2 counter and mod 5 counter using four m s j k flip flops and an additional logic. each of these counter circuits has one asynchronous master set terminal ms and one asynchronous master reset terminal mr. Design and implement mod n and mod nn using ic 7490 and draw timing diagram. ashwani singh. @circuitrysimplifiedbydr.shobha video describes implementation of mod 42 counter using ripple bcd decade counter ic 7490. internal structure of ic 7490 is al. Ic 7490 is a ttl msi decade counter. it contains four master slave flip flops and additional gating to provide a divide by two counter and a three stage binary counter which provides a divide by 5 counter.

10brealization Of Mod N Counter Using Ic 7490 Pdf Electronic Design
10brealization Of Mod N Counter Using Ic 7490 Pdf Electronic Design

10brealization Of Mod N Counter Using Ic 7490 Pdf Electronic Design @circuitrysimplifiedbydr.shobha video describes implementation of mod 42 counter using ripple bcd decade counter ic 7490. internal structure of ic 7490 is al. Ic 7490 is a ttl msi decade counter. it contains four master slave flip flops and additional gating to provide a divide by two counter and a three stage binary counter which provides a divide by 5 counter. Ic 7490 is a ttl msi decade counter. it contains four master slave flip flops and additional gating to provide a divide by two counter and a three stage binary counter which provides a divide by 5 counter. This repository contains basic circuits of digital electronics simulated via ni multisim software digital circuits in multisim all mod counters by ic 7490 decade counter.ms14 at main · bharath vasishta r digital circuits in multisim. The ic 7490 employs a modular approach to counting, and this modulus, or mod, can be configured by manipulating the reset pins r1, r2, r3, and r4. in this system, the behavior is determined by the combinations of these pins. This document provides instructions for implementing a mod 10 counter using the ic 7490 decade counter chip. it begins with an overview of counter circuits and describes asynchronous and synchronous counters.

Decade Counter Circuit Diagram Using 7490
Decade Counter Circuit Diagram Using 7490

Decade Counter Circuit Diagram Using 7490 Ic 7490 is a ttl msi decade counter. it contains four master slave flip flops and additional gating to provide a divide by two counter and a three stage binary counter which provides a divide by 5 counter. This repository contains basic circuits of digital electronics simulated via ni multisim software digital circuits in multisim all mod counters by ic 7490 decade counter.ms14 at main · bharath vasishta r digital circuits in multisim. The ic 7490 employs a modular approach to counting, and this modulus, or mod, can be configured by manipulating the reset pins r1, r2, r3, and r4. in this system, the behavior is determined by the combinations of these pins. This document provides instructions for implementing a mod 10 counter using the ic 7490 decade counter chip. it begins with an overview of counter circuits and describes asynchronous and synchronous counters.

Ic 7490 Decade Counter Datasheet Features Pinout Circuit And Working
Ic 7490 Decade Counter Datasheet Features Pinout Circuit And Working

Ic 7490 Decade Counter Datasheet Features Pinout Circuit And Working The ic 7490 employs a modular approach to counting, and this modulus, or mod, can be configured by manipulating the reset pins r1, r2, r3, and r4. in this system, the behavior is determined by the combinations of these pins. This document provides instructions for implementing a mod 10 counter using the ic 7490 decade counter chip. it begins with an overview of counter circuits and describes asynchronous and synchronous counters.

Comments are closed.