Simplify your online presence. Elevate your brand.

Microcontroller Projects Circuit Diagram

Microcontroller Projects Circuit Diagram
Microcontroller Projects Circuit Diagram

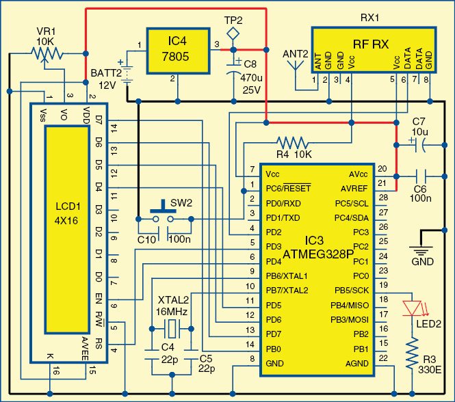
Microcontroller Projects Circuit Diagram Below section covers a list of simple microcontroller projects to learn and work with the concepts of various microcontrollers and architectures. these microcontroller based projects are covered with detailed explanation of working of hardware, circuit diagrams, software and codes. Best microcontroller based mini projects ideas have been listed in this post especially for 2nd year and 3rd year engineering students.

Microcontroller Projects With Circuit Diagram
Microcontroller Projects With Circuit Diagram

Microcontroller Projects With Circuit Diagram These projects contain a complete circuit diagram, simulation, and programming. i tried to cover each and everything in these articles. if you want to include your project in this list, write in comments. i will love to share your project with others. Microcontroller based schematics with circuits and diagrams of 2 wire lcd interface, analog to digital conversion note and more. a help guide for electronics students. You will get the microcontroller projects with codes and circuit diagrams. this section gives you complete information on various modules and sensors used in the electronic projects for beginners. Electronics hobby, educational or college projects made using pic microcontroller with circuit diagram and detailed explanation. 100% working and tested circuits.

Microcontroller Projects With Circuit Diagram
Microcontroller Projects With Circuit Diagram

Microcontroller Projects With Circuit Diagram You will get the microcontroller projects with codes and circuit diagrams. this section gives you complete information on various modules and sensors used in the electronic projects for beginners. Electronics hobby, educational or college projects made using pic microcontroller with circuit diagram and detailed explanation. 100% working and tested circuits. In this article, weโ€™ll take a look at some popular microcontroller based projects that come with circuit diagrams and source code, so you can get started right away. The one stop educational site for all electronic and computer students. if you want to learn something new then we are here to help. we work on microcontroller projects, basic electronics, digital electronics, computer projects and also basic c c programs. Watch how components respond virtually before wiring your real life circuit. prototype your designs with 1:1 representations of arduino, micro:bit, and other common components. Web controller block diagram circuit description rf p rf n simplified block diagram is shown in figure 2. it can be used to transmit and receive data at multiple baud. web view and download texas instruments cc2500 manual online. rf module cc2500 interface with pic swrc021.zip cc2500 microcontroller interfacing cc2500 interface with pic.

Circuit Diagram Of Microcontroller Projects Circuit Diagram
Circuit Diagram Of Microcontroller Projects Circuit Diagram

Circuit Diagram Of Microcontroller Projects Circuit Diagram In this article, weโ€™ll take a look at some popular microcontroller based projects that come with circuit diagrams and source code, so you can get started right away. The one stop educational site for all electronic and computer students. if you want to learn something new then we are here to help. we work on microcontroller projects, basic electronics, digital electronics, computer projects and also basic c c programs. Watch how components respond virtually before wiring your real life circuit. prototype your designs with 1:1 representations of arduino, micro:bit, and other common components. Web controller block diagram circuit description rf p rf n simplified block diagram is shown in figure 2. it can be used to transmit and receive data at multiple baud. web view and download texas instruments cc2500 manual online. rf module cc2500 interface with pic swrc021.zip cc2500 microcontroller interfacing cc2500 interface with pic.

Circuit Diagram For Microcontroller Based Projects
Circuit Diagram For Microcontroller Based Projects

Circuit Diagram For Microcontroller Based Projects Watch how components respond virtually before wiring your real life circuit. prototype your designs with 1:1 representations of arduino, micro:bit, and other common components. Web controller block diagram circuit description rf p rf n simplified block diagram is shown in figure 2. it can be used to transmit and receive data at multiple baud. web view and download texas instruments cc2500 manual online. rf module cc2500 interface with pic swrc021.zip cc2500 microcontroller interfacing cc2500 interface with pic.

Microcontroller Based Projects With Circuit Diagram
Microcontroller Based Projects With Circuit Diagram

Microcontroller Based Projects With Circuit Diagram

Comments are closed.