Simplify your online presence. Elevate your brand.

Manitowoc Wiring Diagram

301 Moved Permanently
301 Moved Permanently

301 Moved Permanently Find specific documentation for your manitowoc commercial ice machine or other manitowoc products. The source for crane manuals and documentation *manuals provided on manitowoc are for reference only. cranes and attachments must be operated and maintained in accordance with the serial number specific manuals provided with the crane and attachments.

Manitowoc Udf0140a Neo 140 Ice Machine Wiring Diagram Ice Maker Manuals
Manitowoc Udf0140a Neo 140 Ice Machine Wiring Diagram Ice Maker Manuals

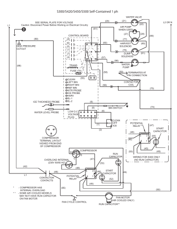
Manitowoc Udf0140a Neo 140 Ice Machine Wiring Diagram Ice Maker Manuals Manitowoc crane pdf service manuals free download, spare parts catalogues, electric wiring diagrams, schematics, fault codes dtc. This step by step guide will walk you through the process of interpreting a manitowoc ice machine wiring diagram, ensuring that you can confidently navigate the electrical components and connections. Manitowoc udf0140a neo 140 wiring diagram. air cooled undercounter commercial ice maker produces 135 lbs (61 kg) dice shapes per 24 hours with r 404a refrigerant. Diagrams wiring diagrams the following pages contain electrical wiring diagrams. be sure you are referring to the correct diagram for the ice machine you are servicing.

Manitowoc Ice Machine Wiring Diagrams Wiring Diagram
Manitowoc Ice Machine Wiring Diagrams Wiring Diagram

Manitowoc Ice Machine Wiring Diagrams Wiring Diagram Manitowoc udf0140a neo 140 wiring diagram. air cooled undercounter commercial ice maker produces 135 lbs (61 kg) dice shapes per 24 hours with r 404a refrigerant. Diagrams wiring diagrams the following pages contain electrical wiring diagrams. be sure you are referring to the correct diagram for the ice machine you are servicing. An interactive program to access all service parts, installation, use and care manuals, service bulletins, instructions, wiring diagrams and service manuals! link to electronic document catalog: (click here!). Low water level switch. 11. bin thermostat. 19. high pressure safety switch. 13. fan cycle control. 15. contactor. 24. on off switch. 25. compressor delay timer. 17. water level switch. 18. chute safety switch. 27. low pressure safety switch. 35. compressor time delay by pass (service staff only). Home » partmanual » crane » manitowoc cranes full models circuit wiring diagrams pdf dvd. An interactive program to access all service parts, installation, use and care manuals, service bulletins, instructions, wiring diagrams and service manuals. updated daily!.

Comments are closed.