Simplify your online presence. Elevate your brand.

Introduction To Isolated Amplifiers

Introduction To Isolated Amplifiers And Modulators Electronic Design
Introduction To Isolated Amplifiers And Modulators Electronic Design

Introduction To Isolated Amplifiers And Modulators Electronic Design Such systems demand robust, reliable, galvanic isolation to isolate high voltages from low voltage circuits. the feedback signals measured on these high voltages are galvanically isolated from the low voltage controllers by isolated amplifiers or isolated modulators. This article will cover the basics of isolated amplifiers and isolated modulators, first addressing the device structure of isolated amplifiers and isolated modulators.

Introduction To Isolated Amplifiers And Modulators Electronic Design
Introduction To Isolated Amplifiers And Modulators Electronic Design

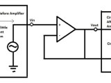
Introduction To Isolated Amplifiers And Modulators Electronic Design Isolation amplifiers are intended for applications requiring safe, accurate measurement of low frequency voltage or current (up to about 100 khz) in the presence of high common mode voltage (to thousands of volts) with high common mode rejection. The common usage of this amplifier is in medical devices, different types of power plant devices, industries processing devices, and automated testing devices. in this post, we will discuss its circuit, operation, and some other factors. so let’s get started with introduction to isolation amplifier. Isolation amplifiers, or iso amps, may be used to protect components from potentially dangerous voltages or to amplify low level analog signals in applications with multiple channels. isolation amplifiers work with systems where a sensor or input is separated from the system supplying data. What is an isolation amplifier? an isolation amplifier can be defined as, an amplifier which doesn’t have any conductive contact among input as well as output sections. consequently, this amplifier gives ohmic isolation among the i p & o p terminals of the amplifier.

When And Why To Use Isolated Amplifiers Dewesoft
When And Why To Use Isolated Amplifiers Dewesoft

When And Why To Use Isolated Amplifiers Dewesoft Isolation amplifiers, or iso amps, may be used to protect components from potentially dangerous voltages or to amplify low level analog signals in applications with multiple channels. isolation amplifiers work with systems where a sensor or input is separated from the system supplying data. What is an isolation amplifier? an isolation amplifier can be defined as, an amplifier which doesn’t have any conductive contact among input as well as output sections. consequently, this amplifier gives ohmic isolation among the i p & o p terminals of the amplifier. What is an isolation amplifier? first, let's define what an isolation amplifier is. an isolation amplifier is a special function amplifier that uses a high electromagnetic interference immunity isolation barrier to isolate the output and input circuits. The document provides an overview of isolated amplifiers and modulators, which are essential for safe monitoring of high voltage circuits in harsh environments. it discusses their structure, applications in voltage and current sensing, and key specifications to consider when selecting these devices. In this article, we explain why the usage of isolated amplifiers is highly recommended, in order to ensure reliable measurements, and protect your instrument from damage. Explore the essential role of isolation amplifiers in electronics and biomedical measurements, their components, types, and the future of iso amp technology.

When And Why To Use Isolated Amplifiers Dewesoft
When And Why To Use Isolated Amplifiers Dewesoft

When And Why To Use Isolated Amplifiers Dewesoft What is an isolation amplifier? first, let's define what an isolation amplifier is. an isolation amplifier is a special function amplifier that uses a high electromagnetic interference immunity isolation barrier to isolate the output and input circuits. The document provides an overview of isolated amplifiers and modulators, which are essential for safe monitoring of high voltage circuits in harsh environments. it discusses their structure, applications in voltage and current sensing, and key specifications to consider when selecting these devices. In this article, we explain why the usage of isolated amplifiers is highly recommended, in order to ensure reliable measurements, and protect your instrument from damage. Explore the essential role of isolation amplifiers in electronics and biomedical measurements, their components, types, and the future of iso amp technology.

Comments are closed.