Simplify your online presence. Elevate your brand.

How Does A Buck Boost Converter Work Electrical Engineering Stack

How Does A Buck Boost Converter Work Electrical Engineering Stack
How Does A Buck Boost Converter Work Electrical Engineering Stack

How Does A Buck Boost Converter Work Electrical Engineering Stack By varying the duty cycle, the converter can precisely control the amount of energy transferred from the input to the output, allowing it to either step down or step up the voltage. some applications typically include stability compensation. A simple explanation of buck boost converters. learn what a buck boost converter is, the formula for a buck boost converter, and its circuit diagram. we also discuss how.

Power Supply Buck Boost Converter Modeling Electrical Engineering
Power Supply Buck Boost Converter Modeling Electrical Engineering

Power Supply Buck Boost Converter Modeling Electrical Engineering Two different topologies are called buck–boost converter. both of them can produce a range of output voltages, ranging from much larger (in absolute magnitude) than the input voltage, down to almost zero. A buck boost converter is a type of dc–dc power electronic converter that can either step down (buck) or step up (boost) the input voltage depending on the duty cycle of the switching device. Buck boost converters regulate current and voltage in led lighting systems, ensuring consistent brightness and extending led lifespan. these converters can accommodate a wide range of input voltages from different power sources, including batteries, ac dc adapters, and renewable energy systems. The two most common types of dc dc converters are buck (step down) and boost (step up) converters, with the buck boost converter serving a versatile function by allowing for both step down and step up voltage conversion.

Inverting Buck Boost Converter Polarity Problem Electrical
Inverting Buck Boost Converter Polarity Problem Electrical

Inverting Buck Boost Converter Polarity Problem Electrical Buck boost converters regulate current and voltage in led lighting systems, ensuring consistent brightness and extending led lifespan. these converters can accommodate a wide range of input voltages from different power sources, including batteries, ac dc adapters, and renewable energy systems. The two most common types of dc dc converters are buck (step down) and boost (step up) converters, with the buck boost converter serving a versatile function by allowing for both step down and step up voltage conversion. A buck boost converter circuit is a type of switch mode power supply. discover how buck boost converters work and what applications can benefit from them. A buck boost converter provides an output voltage that can be either less than or greater than the dc input voltage. hence the name "buck boost". the output voltage polarity is opposite to that of the input voltage. A buck boost converter is a type of switched mode power supply that combines the principles of the buck converter and the boost converter in a single circuit. like other smps designs, it provides a regulated dc output voltage from either an ac or a dc input. Learn how buck boost converters work, their circuit design, operation modes, and applications in power supplies where the output voltage needs to be above or below the input voltage.

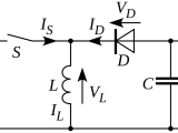
Circuit Analysis Ac Model For Buck Boost Converter Electrical
Circuit Analysis Ac Model For Buck Boost Converter Electrical

Circuit Analysis Ac Model For Buck Boost Converter Electrical A buck boost converter circuit is a type of switch mode power supply. discover how buck boost converters work and what applications can benefit from them. A buck boost converter provides an output voltage that can be either less than or greater than the dc input voltage. hence the name "buck boost". the output voltage polarity is opposite to that of the input voltage. A buck boost converter is a type of switched mode power supply that combines the principles of the buck converter and the boost converter in a single circuit. like other smps designs, it provides a regulated dc output voltage from either an ac or a dc input. Learn how buck boost converters work, their circuit design, operation modes, and applications in power supplies where the output voltage needs to be above or below the input voltage.

Power Supply Why Is Buck Boost Converter Showing A Different Trend
Power Supply Why Is Buck Boost Converter Showing A Different Trend

Power Supply Why Is Buck Boost Converter Showing A Different Trend A buck boost converter is a type of switched mode power supply that combines the principles of the buck converter and the boost converter in a single circuit. like other smps designs, it provides a regulated dc output voltage from either an ac or a dc input. Learn how buck boost converters work, their circuit design, operation modes, and applications in power supplies where the output voltage needs to be above or below the input voltage.

Voltage Buck Converter Problem Electrical Engineering Stack Exchange
Voltage Buck Converter Problem Electrical Engineering Stack Exchange

Voltage Buck Converter Problem Electrical Engineering Stack Exchange

Comments are closed.