Simplify your online presence. Elevate your brand.

Hisense Tv Schematic Diagram Pdf

Tv Schematic Diagram Diagram Board
Tv Schematic Diagram Diagram Board

Tv Schematic Diagram Diagram Board Hi! on this page you can find and free download hisense service manuals and schematics circuit board diagrams for all models hisense tv!. Circuit diagram pdf.rar.

Samsung Tv Schematic Diagram Pdf Wiring Digital And Schematic
Samsung Tv Schematic Diagram Pdf Wiring Digital And Schematic

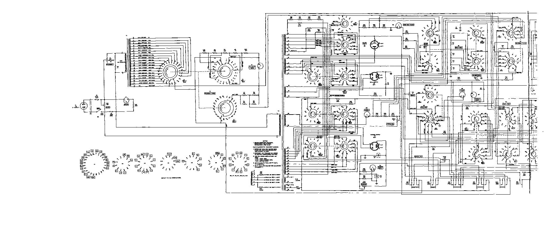
Samsung Tv Schematic Diagram Pdf Wiring Digital And Schematic After the frequently asked questions, we list the hisense service manuals we stock, which are available as a pdf download or paperback. many of the manuals will be ready for you to download right after ordering as they are immediate downloads. Service repair manual, electrical schematic. ledn24k15puk, ledn32k15uk, ledn42k15puk. The hisense tv schematic diagram pdf provides a detailed look at the inner workings of their tvs, from the power supply to the screen display. it allows technicians and engineers to understand how the different parts of the tv work together, making troubleshooting and repairs much easier. Hisense led42k01p 2264 board led tv psu schematic free download as pdf file (.pdf), text file (.txt) or view presentation slides online. 1. the document contains a circuit diagram with multiple electronic components including transistors, resistors, capacitors, and diodes connected in various ways. 2.

Hisense Tv Schematic Diagram Pdf
Hisense Tv Schematic Diagram Pdf

Hisense Tv Schematic Diagram Pdf The hisense tv schematic diagram pdf provides a detailed look at the inner workings of their tvs, from the power supply to the screen display. it allows technicians and engineers to understand how the different parts of the tv work together, making troubleshooting and repairs much easier. Hisense led42k01p 2264 board led tv psu schematic free download as pdf file (.pdf), text file (.txt) or view presentation slides online. 1. the document contains a circuit diagram with multiple electronic components including transistors, resistors, capacitors, and diodes connected in various ways. 2. View and download hisense 40h5 service manual online. 40h5 lcd tv pdf manual download. also for: 48h5, 50h5g, mt5651apoi. Tv hisense tv conventional crt, lcd projectors, tft, plasma, big screen, hdtv, home theater service manuals, repair tips. From replacing a power supply circuit board, a t con circuit board, or simply securing a loose ribbon cable connection, these tv repair manuals will help you to fix your tv yourself. Schéma service manual schéma zapojení schémat oprava návod k obsluze návod k použití free pdf ke stažení. schéma de principe de service manuel schéma câblage schéma réparation instruction notice manuel téléchargement gratuit pdf.

China Tv Schematic Diagram Pdf Electric Chart
China Tv Schematic Diagram Pdf Electric Chart

China Tv Schematic Diagram Pdf Electric Chart View and download hisense 40h5 service manual online. 40h5 lcd tv pdf manual download. also for: 48h5, 50h5g, mt5651apoi. Tv hisense tv conventional crt, lcd projectors, tft, plasma, big screen, hdtv, home theater service manuals, repair tips. From replacing a power supply circuit board, a t con circuit board, or simply securing a loose ribbon cable connection, these tv repair manuals will help you to fix your tv yourself. Schéma service manual schéma zapojení schémat oprava návod k obsluze návod k použití free pdf ke stažení. schéma de principe de service manuel schéma câblage schéma réparation instruction notice manuel téléchargement gratuit pdf.

Hisense Tv Schematic Diagram Pdf
Hisense Tv Schematic Diagram Pdf

Hisense Tv Schematic Diagram Pdf From replacing a power supply circuit board, a t con circuit board, or simply securing a loose ribbon cable connection, these tv repair manuals will help you to fix your tv yourself. Schéma service manual schéma zapojení schémat oprava návod k obsluze návod k použití free pdf ke stažení. schéma de principe de service manuel schéma câblage schéma réparation instruction notice manuel téléchargement gratuit pdf.

Hisense Tv Schematic Diagram Pdf
Hisense Tv Schematic Diagram Pdf

Hisense Tv Schematic Diagram Pdf

Comments are closed.