Simplify your online presence. Elevate your brand.

High Voltage Flyback Transformer Circuit

High Voltage Flyback Transformer Circuit
High Voltage Flyback Transformer Circuit

High Voltage Flyback Transformer Circuit A flyback transformer provides galvanic (electrical) isolation up to ~5 kv dc, reduces noise [2], and can provide multiple and or negative outputs. simple design requires just one semiconductor switch (mosfet) and one freewheeling diode. In modern applications, it is used extensively in switched mode power supplies for both low (3 v) and high voltage (over 10 kv) supplies. the flyback transformer circuit was invented as a means of controlling the horizontal movement of the electron beam in a cathode ray tube (crt).

High Voltage Flyback Transformer Circuit Circuit Diagram
High Voltage Flyback Transformer Circuit Circuit Diagram

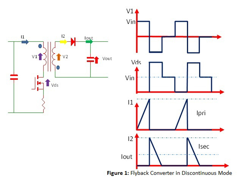
High Voltage Flyback Transformer Circuit Circuit Diagram What should i pay attention to here for the transformer? i would really appreciate all inputs related directly to my blurry understanding but also generally recommendation on how to achieve this charging discharging of high voltage capacitors with highest power envelope on the output. This material describes how to design the transformer for fly back type power supply. it describes the using method of the excel file provided as a transformer design tool. Flyback transformers generate extremely high voltages, typically in the range of 10 kv to 20 kv. this voltage is not sinusoidal but appears as a high energy arc. when two conductive objects are placed close together, the air between them becomes ionized, resulting in a visible arc. These devices are designed to achieve fast transient response, high efficiency, very good thermal per formance, and high output voltage accuracy. its main purpose is to convert a dc input voltage to dc regulated output voltage.

High Voltage Flyback Transformer Circuit Circuit Diagram
High Voltage Flyback Transformer Circuit Circuit Diagram

High Voltage Flyback Transformer Circuit Circuit Diagram Flyback transformers generate extremely high voltages, typically in the range of 10 kv to 20 kv. this voltage is not sinusoidal but appears as a high energy arc. when two conductive objects are placed close together, the air between them becomes ionized, resulting in a visible arc. These devices are designed to achieve fast transient response, high efficiency, very good thermal per formance, and high output voltage accuracy. its main purpose is to convert a dc input voltage to dc regulated output voltage. In short, a flyback is a type of high voltage transformer which generates high voltage of several tens of thousands of voltages at a high frequency of several tens of khz. Learn about the design, application, and testing considerations for high voltage flyback transformers to ensure optimal performance and reliability in medical, aerospace, and industrial applications. Theory of operation ecification and design of its transformer. there are many factors that impact the design: cost, size heat dissipation, and material selection. in addition to the usual list of requirements dealing with high frequency isolated power supply transformer design, the following poi. A variety of methods and calculations could be used to design high voltage transformer, such as a p method that will be used in this transformer, k g method and k rp method.

High Voltage Flyback Transformer Circuit Circuit Diagram
High Voltage Flyback Transformer Circuit Circuit Diagram

High Voltage Flyback Transformer Circuit Circuit Diagram In short, a flyback is a type of high voltage transformer which generates high voltage of several tens of thousands of voltages at a high frequency of several tens of khz. Learn about the design, application, and testing considerations for high voltage flyback transformers to ensure optimal performance and reliability in medical, aerospace, and industrial applications. Theory of operation ecification and design of its transformer. there are many factors that impact the design: cost, size heat dissipation, and material selection. in addition to the usual list of requirements dealing with high frequency isolated power supply transformer design, the following poi. A variety of methods and calculations could be used to design high voltage transformer, such as a p method that will be used in this transformer, k g method and k rp method.

High Voltage Flyback Transformer Circuit Circuit Diagram
High Voltage Flyback Transformer Circuit Circuit Diagram

High Voltage Flyback Transformer Circuit Circuit Diagram Theory of operation ecification and design of its transformer. there are many factors that impact the design: cost, size heat dissipation, and material selection. in addition to the usual list of requirements dealing with high frequency isolated power supply transformer design, the following poi. A variety of methods and calculations could be used to design high voltage transformer, such as a p method that will be used in this transformer, k g method and k rp method.

Comments are closed.