Simplify your online presence. Elevate your brand.

Gate Valve Avk Pdf Valve Nut Hardware

Gate Valve Avk Pdf Valve Nut Hardware
Gate Valve Avk Pdf Valve Nut Hardware

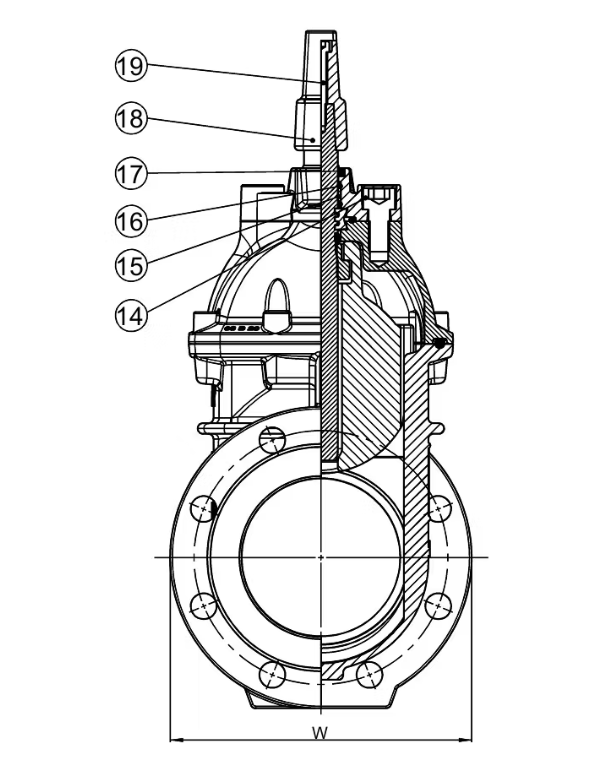
Gate Valve Avk Pdf Valve Nut Hardware Avk gate valves.pdf free download as pdf file (.pdf), text file (.txt) or read online for free. Gate valves with flanges must be installed using suitable gaskets, bolts, washers and nuts. maiden flanges must be designed to adapt standard flange drillings appropriate to the specific flange drilling on the valve.

Avk Metal Seated Gate Valve Valvex
Avk Metal Seated Gate Valve Valvex

Avk Metal Seated Gate Valve Valvex Gate valves with flanges must be installed using suitable gaskets, bolts, washers and nuts. maiden flanges must be designed to adapt standard flange drillings appropriate to the specific flange drilling on the valve. Renowned avk design the renowned avk gate valve design – according to global standards, meeting local requirements. Gate valves should not be installed in a dead end or near a bend in a pipeline without proper and adequate restraint to support the valve and prevent it from blowing of the end of the line. It is always recommended that wherever work is being carried out on a valve that the valve is fully depressurised prior to carrying it out, and for the convenience draining of the line may be beneficial.

Avk Flanged Gate Valve Os Y Ul Fm Approved 250 Psi Valvex
Avk Flanged Gate Valve Os Y Ul Fm Approved 250 Psi Valvex

Avk Flanged Gate Valve Os Y Ul Fm Approved 250 Psi Valvex Gate valves should not be installed in a dead end or near a bend in a pipeline without proper and adequate restraint to support the valve and prevent it from blowing of the end of the line. It is always recommended that wherever work is being carried out on a valve that the valve is fully depressurised prior to carrying it out, and for the convenience draining of the line may be beneficial. Resilient seated gate valves the wedge is the heart of the gate valve. get to know the extraordinary features and ranges of our long life resilient seated gate valve design. Resilient seat gate valve for water and waste water. temperature range: 10° c to 70° c. max 10% solid matter. the avk series 21 are flanged, resilient seat gate valves with replaceable stem seal designed to the heavy duty bs5163 type b standard for use in systems with drinking water, waste water or other neutral liquids. Avk gate valves are designed for fully open or fully closed service installed in pipelines as isolating valves, and should not be used as control or regulating valves. Avk resilient seat gate valve pn16 57 98 to as 2638.2, reduced weight and environmentally friendly stem sealing exchangeable under pressure face to face dimension to as 2638.2 flange and drilling to as 4087 figure b5 (as 2129 table d and raised face) or as 2129 table e and raised face.

Seleksi Gate Valve Avk Fusion Indonesia
Seleksi Gate Valve Avk Fusion Indonesia

Seleksi Gate Valve Avk Fusion Indonesia Resilient seated gate valves the wedge is the heart of the gate valve. get to know the extraordinary features and ranges of our long life resilient seated gate valve design. Resilient seat gate valve for water and waste water. temperature range: 10° c to 70° c. max 10% solid matter. the avk series 21 are flanged, resilient seat gate valves with replaceable stem seal designed to the heavy duty bs5163 type b standard for use in systems with drinking water, waste water or other neutral liquids. Avk gate valves are designed for fully open or fully closed service installed in pipelines as isolating valves, and should not be used as control or regulating valves. Avk resilient seat gate valve pn16 57 98 to as 2638.2, reduced weight and environmentally friendly stem sealing exchangeable under pressure face to face dimension to as 2638.2 flange and drilling to as 4087 figure b5 (as 2129 table d and raised face) or as 2129 table e and raised face.

Comments are closed.