Simplify your online presence. Elevate your brand.

Fyp 1 Evaluation Sheet Pdf Use Case Computing

Fyp 1 Evaluation Sheet Pdf Use Case Computing
Fyp 1 Evaluation Sheet Pdf Use Case Computing

Fyp 1 Evaluation Sheet Pdf Use Case Computing Fyp 1 evaluation sheet free download as pdf file (.pdf), text file (.txt) or read online for free. the document provides a schedule for fall 2017 fyp 1 evaluations taking place on april 21, 2018 at the superior college (university campus) lahore, pakistan. Please ensure the completeness and consistency between the srs, sds, and prototype.

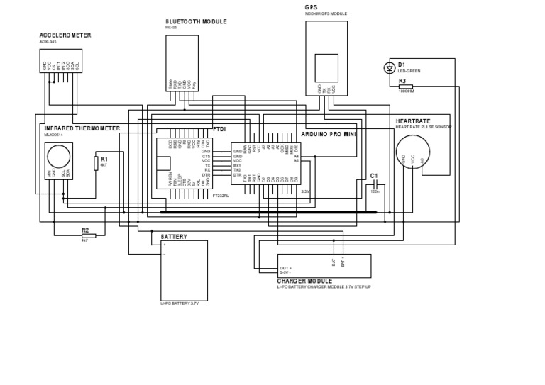
Fyp 1 Scematic Demo Pdf
Fyp 1 Scematic Demo Pdf

Fyp 1 Scematic Demo Pdf Final year project 1 (fyp1) assesment evaluated by supervisor (80%) co1 :analyze research problems through a literature review to formulate effective research objectives. co2 :identify appropriate methodologies for conducting research to address electrical electronic engineering issues. Evaluate and approve the titles, scope, objectives, expected outcome of fyp proposal and report submitted by students. analyse, validate and endorse the marks for the fyp proposal and reports before submitting to the faculty. Students must fill in personal and project particulars before giving this form to their respective supervisor. students must submit their fyp proposal that contains chapter 1 chapter 3 along with all the required attachments before giving this form to their supervisor. Modeling: use modeling techniques such as uml diagrams (use case diagrams, class diagrams) to represent relationships between different components and actors in the system.

Chapter 1 Fyp V1 Download Free Pdf Warehouse E Commerce
Chapter 1 Fyp V1 Download Free Pdf Warehouse E Commerce

Chapter 1 Fyp V1 Download Free Pdf Warehouse E Commerce Students must fill in personal and project particulars before giving this form to their respective supervisor. students must submit their fyp proposal that contains chapter 1 chapter 3 along with all the required attachments before giving this form to their supervisor. Modeling: use modeling techniques such as uml diagrams (use case diagrams, class diagrams) to represent relationships between different components and actors in the system. Please submit all reports in pdf format via online system with the oral approval from supervisor. 5 marks will be deducted from the final mark for each late submission (will be based on the time recorded by the fyp management system) – 5pm will be the cut off time for the submission. after amendment based on examiner evaluation. Ability to outline and propose complete methodological framework components through investigation (site visit, site recognizing) which consistent with the following elements (1) objectives (2) scope of work, (3) adopt the standard method of measurements, (4) comprehensive evidence of data collection planning programme is given, (5) flow of proposed activities (measurement test run calibration etc) are shown and (6) flow of proposed activities with acceptable justification. There are two types of final year project report writings to be covered in this guideline, namely project proposal and project report. therefore, it is hoped that students and supervisors would give attention to and write according to this guideline. The policy applies to fyp i and fyp ii for both students and supervisors, aiming to provide clear guidelines and establish a framework for effective project management.

Use Case Pdf Use Case User Computing
Use Case Pdf Use Case User Computing

Use Case Pdf Use Case User Computing Please submit all reports in pdf format via online system with the oral approval from supervisor. 5 marks will be deducted from the final mark for each late submission (will be based on the time recorded by the fyp management system) – 5pm will be the cut off time for the submission. after amendment based on examiner evaluation. Ability to outline and propose complete methodological framework components through investigation (site visit, site recognizing) which consistent with the following elements (1) objectives (2) scope of work, (3) adopt the standard method of measurements, (4) comprehensive evidence of data collection planning programme is given, (5) flow of proposed activities (measurement test run calibration etc) are shown and (6) flow of proposed activities with acceptable justification. There are two types of final year project report writings to be covered in this guideline, namely project proposal and project report. therefore, it is hoped that students and supervisors would give attention to and write according to this guideline. The policy applies to fyp i and fyp ii for both students and supervisors, aiming to provide clear guidelines and establish a framework for effective project management.

Comments are closed.