Simplify your online presence. Elevate your brand.

Freecad Tutorial Basics Hose Adapter

Freecad Tutorial Basics Hose Adapter
Freecad Tutorial Basics Hose Adapter

Freecad Tutorial Basics Hose Adapter Freecad tutorial using the part design workbench to create a parametric model. this tutorial was made using freecad 0.19. more. I turned mine into a super useful woodworking tool.

Hose Adapter Pdf
Hose Adapter Pdf

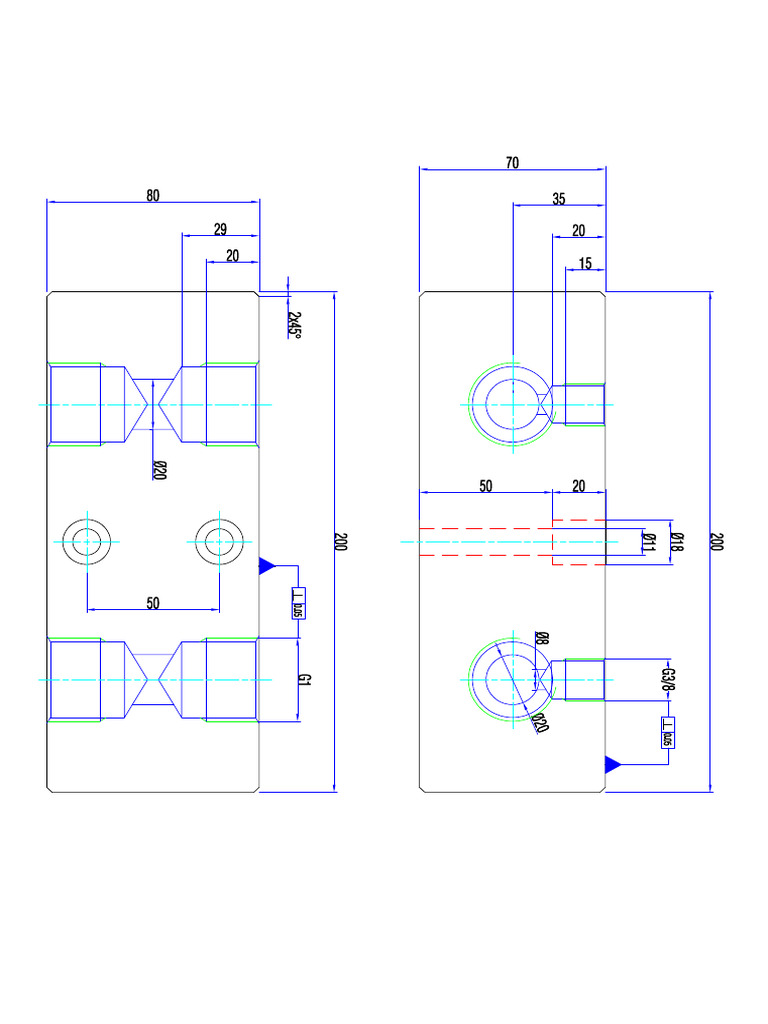
Hose Adapter Pdf First of all i am sorry if this question is a bit generic but i am looking for a reliable way to design a simple 3d printed adapter for a clear pvc hose with 16mm id, 22mm od. This is a simple parametric model for generating different sized hose adapters for dust collection systems. These macros support the creation and maintenance of wires and hoses. as part of our other freecad projects we needed some way to document wiring and hoses. this set of macros was developed to meet that need. Freecad is a free, open source parametric 3d modeling application. it is made primarily to model real world objects, ranging from the small electronic components up to buildings and civil engineering projects, with a strong focus on 3d printable objects.

3d Design Garden Hose Adapter 0 7 Tinkercad
3d Design Garden Hose Adapter 0 7 Tinkercad

3d Design Garden Hose Adapter 0 7 Tinkercad These macros support the creation and maintenance of wires and hoses. as part of our other freecad projects we needed some way to document wiring and hoses. this set of macros was developed to meet that need. Freecad is a free, open source parametric 3d modeling application. it is made primarily to model real world objects, ranging from the small electronic components up to buildings and civil engineering projects, with a strong focus on 3d printable objects. Sorry about the thumping sound in the video. i don’t have a proper mic for screen recordings. Freecad tutorial using the part design workbench to create a parametric model. this tutorial was made using freecad 0.19. The freecad tutorial for beginners is a comprehensive guide that covers the basics of freecad design software. This page presents a selection of high quality written tutorials. a complete, unsorted list of tutorials can be found in category:tutorials, a complete and sortable one can be found in the table below.

Microscope Adapter Model Freecad Documentation
Microscope Adapter Model Freecad Documentation

Microscope Adapter Model Freecad Documentation Sorry about the thumping sound in the video. i don’t have a proper mic for screen recordings. Freecad tutorial using the part design workbench to create a parametric model. this tutorial was made using freecad 0.19. The freecad tutorial for beginners is a comprehensive guide that covers the basics of freecad design software. This page presents a selection of high quality written tutorials. a complete, unsorted list of tutorials can be found in category:tutorials, a complete and sortable one can be found in the table below.

ёяшо Easy Freecad Shapebinder Tutorial Freecad Tube Freecad Pipe
ёяшо Easy Freecad Shapebinder Tutorial Freecad Tube Freecad Pipe

ёяшо Easy Freecad Shapebinder Tutorial Freecad Tube Freecad Pipe The freecad tutorial for beginners is a comprehensive guide that covers the basics of freecad design software. This page presents a selection of high quality written tutorials. a complete, unsorted list of tutorials can be found in category:tutorials, a complete and sortable one can be found in the table below.

Comments are closed.