Simplify your online presence. Elevate your brand.

Flowsheet Wtp Pdf Pdf

Flowsheet Wtp Pdf Pdf
Flowsheet Wtp Pdf Pdf

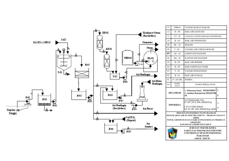
Flowsheet Wtp Pdf Pdf Dokumen tersebut merupakan diagram alir proses pengolahan air yang digunakan pada pabrik pupuk amonium sulfat kapasitas 1,25 juta ton per tahun. diagram tersebut menunjukkan peralatan peralatan pengolahan air seperti tangki, pompa, menara pendingin, kation exchanger, anion exchanger, bak bak penampungan air, dan lain sebagainya beserta alirannya. Blue plan it® operations simulator offers a dynamic operator training and troubleshooting guide for wwtps. modeling algorithms for a wide variety of treatment processes have been integrated into the blue plan it® operations simulator. it can be quickly customized to match the situation at your facility:.

Wtp Pdf
Wtp Pdf

Wtp Pdf Wastewater treatment plant process flowchart c3 water (process coolant irragation water). Wwtp process flow chart free download as pdf file (.pdf), text file (.txt) or view presentation slides online. the document is a flowchart showing the process flow of a wastewater treatment plant. Step 7: treated water flows through 1 mile pipe empties into mississippi river. This work presented the design steps and calculation for each units of the water treatment plant (wtp), due to it’s important role domestically and drinking purpose.

Flow Diagram Wtp Upd Pdf Environmental Issues With Water
Flow Diagram Wtp Upd Pdf Environmental Issues With Water

Flow Diagram Wtp Upd Pdf Environmental Issues With Water Step 7: treated water flows through 1 mile pipe empties into mississippi river. This work presented the design steps and calculation for each units of the water treatment plant (wtp), due to it’s important role domestically and drinking purpose. Water ptreatment plant training, experience and knowledge. for reference only a general overview of how orp infers to the state of an activated sludge process can be seen below, however, this shouldn’t be used to inform setpoint changes which should be made in. scada mimic related to the membrane portion of the process mbr tank setpoint. Flow chart wwtp free download as word doc (.doc), pdf file (.pdf), text file (.txt) or view presentation slides online. flow chart waste water treatment plant coagulant : feso4, kapur (lime), polimer, al2so4, and polimer. Heuristics developed in our industrial practice and gleaned from the literature are used to guide the designer to come up with preliminary flow sheet alternatives. then, bench scale experiments and pilot plant tests for the relevant unit operations are performed. Flow chart wtp free download as excel spreadsheet (.xls .xlsx), pdf file (.pdf), text file (.txt) or view presentation slides online.

Comments are closed.