Simplify your online presence. Elevate your brand.

Causes Of Mechanical Seal Leaks Pdf Pump Mechanical Engineering

Causes Of Mechanical Seal Leaks Pdf Pump Mechanical Engineering
Causes Of Mechanical Seal Leaks Pdf Pump Mechanical Engineering

Causes Of Mechanical Seal Leaks Pdf Pump Mechanical Engineering The document discusses common reasons for mechanical seal failure in pumps. Seals are a single, heavy duty spring seal. they are utilised in marine pumps, waste water, pulp and paper, and textile industries, as well as refrigeration com.

Pump Mechanical Seal Short Course Download Free Pdf Pump Chemical
Pump Mechanical Seal Short Course Download Free Pdf Pump Chemical

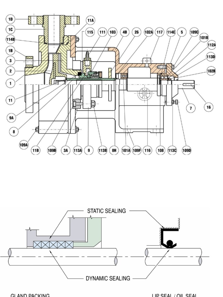
Pump Mechanical Seal Short Course Download Free Pdf Pump Chemical In a properly operating mechanical seal, this thin liquid film, out of necessity, leaks to the low pressure side of the seal, usually outside the pump. in a single type mechanical seal pump, the liquid is normally the fluid already being handled by the pump. To actually find the root cause of a failure, the user should take the evidence found in the seal failure analysis and determine if it points to equipment or system issues. I seal faces separation due to pumped product build up on one of the seal faces; this is a common problem with petroleum products or any product that can buiid a film on a surÍace.since this coating is not denseenough to provide good sealing, it can cause the faces to leak at shutclown. Caution: seal repairs should be undertaken only by qualified personnel. if problems continue, contact your local john crane sales representative immediately. note: seal adaptive hardware including glands, sleeves, collars, pins, screws, etc. are not described by this code.

Pump Seal Leak Pdf
Pump Seal Leak Pdf

Pump Seal Leak Pdf I seal faces separation due to pumped product build up on one of the seal faces; this is a common problem with petroleum products or any product that can buiid a film on a surÍace.since this coating is not denseenough to provide good sealing, it can cause the faces to leak at shutclown. Caution: seal repairs should be undertaken only by qualified personnel. if problems continue, contact your local john crane sales representative immediately. note: seal adaptive hardware including glands, sleeves, collars, pins, screws, etc. are not described by this code. Explore mechanical seal failure and pump seal leakage, with john crane guidance to diagnose and prevent common seal issues. With proper seal design, correct pump usage, and regular maintenance, you can minimize the chance of a failure, keep your systems operating and profitable, and prevent seal failures and unnecessary and costly downtime. What causes a mechanical seal to fail? one possibility is that the seal face has opened because it became jammed on the rotating component. the other possibility is that one of the seal components such as the spring was damaged by contact, heat, corrosion, etc. Leakage from a failed mechanical seal (“spray”) can find its way through labyrinth seals and into bearing frames and electric motors, causing significant damage.

Mechanical Seal Presentation Pdf Pump Leak
Mechanical Seal Presentation Pdf Pump Leak

Mechanical Seal Presentation Pdf Pump Leak Explore mechanical seal failure and pump seal leakage, with john crane guidance to diagnose and prevent common seal issues. With proper seal design, correct pump usage, and regular maintenance, you can minimize the chance of a failure, keep your systems operating and profitable, and prevent seal failures and unnecessary and costly downtime. What causes a mechanical seal to fail? one possibility is that the seal face has opened because it became jammed on the rotating component. the other possibility is that one of the seal components such as the spring was damaged by contact, heat, corrosion, etc. Leakage from a failed mechanical seal (“spray”) can find its way through labyrinth seals and into bearing frames and electric motors, causing significant damage.

Mechanical Seal Problems Pdf Pump Corrosion
Mechanical Seal Problems Pdf Pump Corrosion

Mechanical Seal Problems Pdf Pump Corrosion What causes a mechanical seal to fail? one possibility is that the seal face has opened because it became jammed on the rotating component. the other possibility is that one of the seal components such as the spring was damaged by contact, heat, corrosion, etc. Leakage from a failed mechanical seal (“spray”) can find its way through labyrinth seals and into bearing frames and electric motors, causing significant damage.

Comments are closed.