Simplify your online presence. Elevate your brand.

B767 Electrical System

B767 Electrical System Pdf Electrical Equipment Physical Quantities
B767 Electrical System Pdf Electrical Equipment Physical Quantities

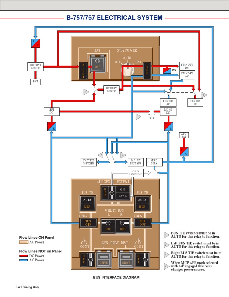
B767 Electrical System Pdf Electrical Equipment Physical Quantities Comprehensive overview of the boeing 767 electrical system, including ac dc power, distribution, idgs, apu, and load shedding. perfect for aviation professionals. The document discusses the electrical systems on the boeing 767 aircraft. it describes the main ac electrical power sources as the left and right engine integrated drive generators and the apu generator.

B767 Electrical Systems Pdf Electric Power Electric Generator
B767 Electrical Systems Pdf Electric Power Electric Generator

B767 Electrical Systems Pdf Electric Power Electric Generator View and download boeing b767 wiring diagram manual supplement online. b767 tools pdf manual download. The document provides an overview of the b 757 767 electrical system. it contains a diagram labeling the main components including the batteries, buses, generators, transformer rectifiers, and external power sources. Training manual for boeing 767 200 300 electrical power system. covers system summary, panels, ac power, apu, and hydraulic motor generator. Simplified boeing 767 electrical power distribution system. this paper presents the simulation and transient analysis of conventional and advanced aircraft electric power systems with.

B767 Electrical Distribution Pdf
B767 Electrical Distribution Pdf

B767 Electrical Distribution Pdf Training manual for boeing 767 200 300 electrical power system. covers system summary, panels, ac power, apu, and hydraulic motor generator. Simplified boeing 767 electrical power distribution system. this paper presents the simulation and transient analysis of conventional and advanced aircraft electric power systems with. Learn how ac and dc power is generated, distributed across buses, and backed up in abnormal conditions. 📌 video title: b767 electrical power overview. 🔧 about this video: technical training video about boeing 767 main components of electrical system. Figure 1 shows a simplified schema of the boeing 767 electrical power system. there are two generators in the aircraft that serve as a primary power sources (shown as l gen and r gen in figure 1). View and download b767 manuals for free. b767 instructions manual.

Comments are closed.