Simplify your online presence. Elevate your brand.

Avk Combi Cross Introduction

Avk Fitting Product Range Visual Pdf
Avk Fitting Product Range Visual Pdf

Avk Fitting Product Range Visual Pdf Our combi crosses with valves of the same dn are designed for installations where all three or four pipe connections share the same diameter and where no future change in pipe size is expected. The combi cross with pe ends is ideal for buried applications in pe networks, combining the advantages of a compact multi valve unit with the installation benefits of direct welding into a pe pipe system.

Avk Combi Cross Flanged 4 Outlets Pn10 16 Valvex
Avk Combi Cross Flanged 4 Outlets Pn10 16 Valvex

Avk Combi Cross Flanged 4 Outlets Pn10 16 Valvex The avk combi cross is designed to meet stringent safety requirements. even when valves are disconnected and removed from the centre part, the anchoring remains unaffected. Ves are designed with built in safety in every detail. the wedge is fully vulcanized with av. ’s own drinking water approved epdm rubber compound. it features an outstanding durability due to the ability of the rubber to regain its original shape, the double bon. Combi cross 4 outlets with ball valves and flanged dn100 center outlet. for drinking water and neutral liquids to max. 70°c. avk combi cross gate valves are designed with built in safety in every detail. the wedge is fully vulcanized with avk’s own drinking water approved epdm rubber compound. The avk combi cross is designed to meet stringent safety requirements. even when valves are disconnected and removed from the centre part, the anchoring remains unaffected.

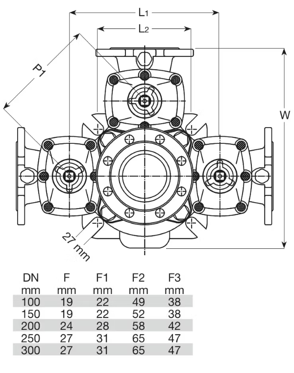
Avk Combi Cross Flanged 3 Outlets Pn10 16 Valvex
Avk Combi Cross Flanged 3 Outlets Pn10 16 Valvex

Avk Combi Cross Flanged 3 Outlets Pn10 16 Valvex Combi cross 4 outlets with ball valves and flanged dn100 center outlet. for drinking water and neutral liquids to max. 70°c. avk combi cross gate valves are designed with built in safety in every detail. the wedge is fully vulcanized with avk’s own drinking water approved epdm rubber compound. The avk combi cross is designed to meet stringent safety requirements. even when valves are disconnected and removed from the centre part, the anchoring remains unaffected. If you want to mount a hydrant where 2 main lines are crossing for applications, where you want a special configuration and different valve sizes on the outlets in order to save transition fittings, and if you want the possibility to re configure or if you need a combi cross in dn400. Product description: combi cross 3 outlets with ball valves and flanged dn100 center outlet. stem of duplex stainless steel. for drinking water and neutral liquids to max. 70°c. The flexible combi cross offers optimal flexibility in both installation and potential retrofit of the valves. it has a full bore in the centre part and can be supplied with valve sizes from dn80 up to max centre part size or alternatively a flange outlet or blind cap. The avk combi cross offers a compact solution for installations requiring multiple gate valves in limited spaces, allowing for configurations with different valve sizes.

Reconstruction Of Pipe Network Using Avk Combi Cross Avk International
Reconstruction Of Pipe Network Using Avk Combi Cross Avk International

Reconstruction Of Pipe Network Using Avk Combi Cross Avk International If you want to mount a hydrant where 2 main lines are crossing for applications, where you want a special configuration and different valve sizes on the outlets in order to save transition fittings, and if you want the possibility to re configure or if you need a combi cross in dn400. Product description: combi cross 3 outlets with ball valves and flanged dn100 center outlet. stem of duplex stainless steel. for drinking water and neutral liquids to max. 70°c. The flexible combi cross offers optimal flexibility in both installation and potential retrofit of the valves. it has a full bore in the centre part and can be supplied with valve sizes from dn80 up to max centre part size or alternatively a flange outlet or blind cap. The avk combi cross offers a compact solution for installations requiring multiple gate valves in limited spaces, allowing for configurations with different valve sizes.

Comments are closed.