Simplify your online presence. Elevate your brand.

3 Phase Distribution Board Wiring

3 Phase Distribution Board Wiring Diagram 3 Phase 400v Distribution Board
3 Phase Distribution Board Wiring Diagram 3 Phase 400v Distribution Board

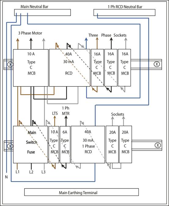
3 Phase Distribution Board Wiring Diagram 3 Phase 400v Distribution Board Learn about the wiring process for a 3 phase distribution board (db) box, including the necessary steps and safety precautions. understand how to connect the incoming power supply, distribute it to different circuits, and properly ground the system. Hey, in this article we are going to see the three (3) phase distribution board wiring diagram and connection procedure. the three phase distribution board is used to distribute power to the three phase loads and circuits such as three phase motors, three phase machinery, three phase to single phase distribution boards, etc.

Wiring Diagram Of A 3 Phase Distribution Board Wiring Today
Wiring Diagram Of A 3 Phase Distribution Board Wiring Today

Wiring Diagram Of A 3 Phase Distribution Board Wiring Today Wiring a 3 phase, 400v distribution board: uk & eu iec. how to wire a three phase distribution board for 400v load circuits and mcb's?. Learn professional methods to wire, dress, and organize a three phase electrical distribution board safely and efficiently. Comprehensive 3 phase distribution board wiring guide for safe and efficient power distribution with mccb, breakers, neutral, and earth connections. Wiring a three phase distribution board [db] is of a necessity when the power distribution requirement cannot be handled by a single phase power supply.

Wiring Diagram Of A 3 Phase Distribution Board
Wiring Diagram Of A 3 Phase Distribution Board

Wiring Diagram Of A 3 Phase Distribution Board Comprehensive 3 phase distribution board wiring guide for safe and efficient power distribution with mccb, breakers, neutral, and earth connections. Wiring a three phase distribution board [db] is of a necessity when the power distribution requirement cannot be handled by a single phase power supply. This document provides instructions for wiring a three phase distribution board for electrical power and lighting installation. it lists the required accessories including a 12 way three row distribution board with a 60a 3 pole circuit breaker. I try to explain three phase distribution board layout and wiring diagram. three phase power supply is required, when the power distribution requirement cannot be handled by a single phase power supply. The three phase distribution board wiring diagram shows how the current flows between the various components in the three phase distribution board. it also includes details of the ratings of the components, the type of cable used, the wire size and amperage rating, and other important information. In our today electrical wiring installation tutorial, we will show how to wire and install a three phase distribution board and consumer unit from utility pole to a 3 phase energy meter & 3 phase distribution board.

Comments are closed.