Simplify your online presence. Elevate your brand.

Simulasi Proteus Arduino Keypad Matrix Arducoding

Simulasi Proteus Project Lcd Dan Lcd Keypad Pdf
Simulasi Proteus Project Lcd Dan Lcd Keypad Pdf

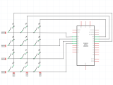
Simulasi Proteus Project Lcd Dan Lcd Keypad Pdf Pada kesempatan ini kita akan melakukan simulasi penggunaan keypad matrix pada arduino di proteus isis 8. ok, just get started! 1. arduino ide. 2. proteus 8. pastikan telah mengistall library arduino pada proteus. bila belum, cara istalasi dapat dilihat dan dipelajari here!. Dokumen ini menjelaskan simulasi sistem keypad menggunakan arduino uno dan virtual terminal di proteus. arduino berfungsi untuk membaca input dari keypad 4x3 dan menampilkan hasilnya di virtual terminal melalui komunikasi serial.

Download Kumpulan Simulasi Arduino Dengan Proteus 8 Mikrokontroler
Download Kumpulan Simulasi Arduino Dengan Proteus 8 Mikrokontroler

Download Kumpulan Simulasi Arduino Dengan Proteus 8 Mikrokontroler This project demonstrates how to interface a matrix keypad with arduino and display the pressed keys on an lcd screen. This project demonstrates how to read input from a 3x4 keypad using an arduino uno and display the pressed key on a 16x2 lcd screen. the simulation is implemented in proteus, and the program is written in arduino (c c ). So today we will have a detailed look on how keypad works and how we can interface keypad with arduino in proteus isis. proteus also gives keypad component in its database using which we can easily simulate it in proteus and can save our time. Projek simulasi proteus ini saya buat sendiri dan akan saya bagikan untuk kalian jadikan referensi belajar, silahkan download kumpulan file dan code nya supaya kalian bisa menjalankan simulasi arduino pada proteus 8 kemudian pelajari sistem kerjanya.

How To Read A Matrix Keypad Using Arduino App Code Labs
How To Read A Matrix Keypad Using Arduino App Code Labs

How To Read A Matrix Keypad Using Arduino App Code Labs So today we will have a detailed look on how keypad works and how we can interface keypad with arduino in proteus isis. proteus also gives keypad component in its database using which we can easily simulate it in proteus and can save our time. Projek simulasi proteus ini saya buat sendiri dan akan saya bagikan untuk kalian jadikan referensi belajar, silahkan download kumpulan file dan code nya supaya kalian bisa menjalankan simulasi arduino pada proteus 8 kemudian pelajari sistem kerjanya. Learn how to interface a keypad with 8051 (at89s52) microcontroller using proteus simulation for efficient hardware design. Today, i will share how to interface and simulate a keypad phone with arduino in proteus 8 software. in this project, a simple code was created by alexander brevig for using matrix style keypads with the arduino. Here we have provided the 8051 code used in the proteus simulation above. this code demonstrates how to interface a keypad and lcd with an 8051 microcontroller and a basic user interface. Proses pengecekkan dari tombol yang dirangkai secara maktriks adalah dengan teknik scanning, yaitu proses pengecekkan yang dilakukan dengan cara memberikan umpan data pada satu bagian dan mengecek feedback (umpan balik) — nya pada bagian yang lain.

Interfacing Of Keypad With Arduino The Engineering Projects
Interfacing Of Keypad With Arduino The Engineering Projects

Interfacing Of Keypad With Arduino The Engineering Projects Learn how to interface a keypad with 8051 (at89s52) microcontroller using proteus simulation for efficient hardware design. Today, i will share how to interface and simulate a keypad phone with arduino in proteus 8 software. in this project, a simple code was created by alexander brevig for using matrix style keypads with the arduino. Here we have provided the 8051 code used in the proteus simulation above. this code demonstrates how to interface a keypad and lcd with an 8051 microcontroller and a basic user interface. Proses pengecekkan dari tombol yang dirangkai secara maktriks adalah dengan teknik scanning, yaitu proses pengecekkan yang dilakukan dengan cara memberikan umpan data pada satu bagian dan mengecek feedback (umpan balik) — nya pada bagian yang lain.

Keypad Arduino
Keypad Arduino

Keypad Arduino Here we have provided the 8051 code used in the proteus simulation above. this code demonstrates how to interface a keypad and lcd with an 8051 microcontroller and a basic user interface. Proses pengecekkan dari tombol yang dirangkai secara maktriks adalah dengan teknik scanning, yaitu proses pengecekkan yang dilakukan dengan cara memberikan umpan data pada satu bagian dan mengecek feedback (umpan balik) — nya pada bagian yang lain.

How To Simulate 3x4 Keypad With Arduino In Proteus
How To Simulate 3x4 Keypad With Arduino In Proteus

How To Simulate 3x4 Keypad With Arduino In Proteus

Comments are closed.