Simplify your online presence. Elevate your brand.

Pt23 Resources Easyeda

Bp Resources Easyeda
Bp Resources Easyeda

Bp Resources Easyeda Professional online editor standard online editor desktop client parts order lcsc pcb order jlcpcb forum tutorial (pro edition) tutorial (std edition) update record (pro edition) update record (std edition) contact us english 中文 (简体) home> pt23. Easyeda provide a lot of libraries, you can find them at "left hand panel library", hotkey "shift f", at here you can search library from lcsc, system, user contributed etc.

Tugas Easyeda Resources Easyeda
Tugas Easyeda Resources Easyeda

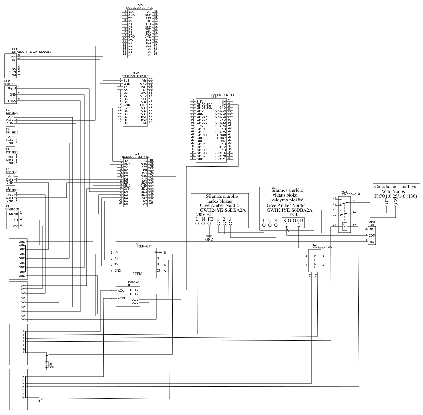
Tugas Easyeda Resources Easyeda Learn easyeda from videos. An easyeda pro extension that calculates the characteristic impedance (z₀) of every trace segment on a pcb, using established rf signal integrity formulas (hammerstad & jensen for microstrip, cohn wheeler for stripline, kirschning & jansen for differential microstrip). reference standard: ipc. Open source hardware oshwlab component purchasing lcsc development kits purchase easyeda openkits pcb prototyping jlcpcb pcb layout service jlcpcb 3d printing jlc3dp cnc machining jlccnc mechanical components jlcmc. Easyeda is a free and easy to use circuit design, circuit simulator and pcb design that runs in your web browser.

Outputs Resources Easyeda
Outputs Resources Easyeda

Outputs Resources Easyeda Open source hardware oshwlab component purchasing lcsc development kits purchase easyeda openkits pcb prototyping jlcpcb pcb layout service jlcpcb 3d printing jlc3dp cnc machining jlccnc mechanical components jlcmc. Easyeda is a free and easy to use circuit design, circuit simulator and pcb design that runs in your web browser. Unleash creativity, start design now. More. Pcb amini pcb pt2322 pt 2323 14011007 v2.32 rcav and all text circuits 10 8 pcb final. Easyeda is a free and easy to use circuit design, circuit simulator and pcb design that runs in your web browser.

22 Resources Easyeda
22 Resources Easyeda

22 Resources Easyeda Unleash creativity, start design now. More. Pcb amini pcb pt2322 pt 2323 14011007 v2.32 rcav and all text circuits 10 8 pcb final. Easyeda is a free and easy to use circuit design, circuit simulator and pcb design that runs in your web browser.

Pcb Resources Easyeda
Pcb Resources Easyeda

Pcb Resources Easyeda Pcb amini pcb pt2322 pt 2323 14011007 v2.32 rcav and all text circuits 10 8 pcb final. Easyeda is a free and easy to use circuit design, circuit simulator and pcb design that runs in your web browser.

Comments are closed.