Simplify your online presence. Elevate your brand.

Brake Disc Brake Pdf

Brake Disc Brake Pdf
Brake Disc Brake Pdf

Brake Disc Brake Pdf Pdf | on jun 10, 2023, satyabrata rout published design and analysis of brake disc | find, read and cite all the research you need on researchgate. A conventional disc brake system consists of a brake disc, two friction pads, and brake caliper. in the disc brake system; the friction pads apply grip on the external surface of the disc to perform braking.

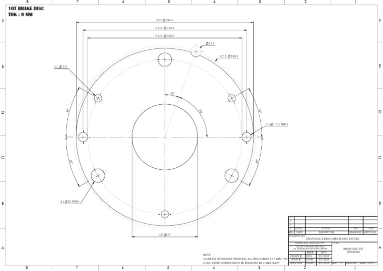
10t Brake Disc Pdf Mechanical Engineering
10t Brake Disc Pdf Mechanical Engineering

10t Brake Disc Pdf Mechanical Engineering N braking system one of most important active safety of vehicle. brakes continuously improved in various aspec s. while braking, most of the kinetic energy are converted into thermal energy and increase the disc temperature. this project deals in disc brake rotor design, disc rotor profile selection, disc rotor. It explains the simple brake system and main components of disc brakes. it discusses the working principles of disc brakes and concludes by noting the advantages of disc brakes over drum brakes and limitations of disc brakes. Disc brake banyak diproduksi oleh bengkel pemesinan konvensional. tetapi belum diketahui seberapa optimal disc brake hasil produksi bengkel tersebut dalam pelepasan panas dan keamanannya. salah satu penyebab kecelakaan kendaraan adalah faktor. Automotive disc brakes are huge successful for the automotive industry. with this project we achieved a safe durable and variable design for a rotor component in a automotive disc brake system taking in consideration the forces exerted for all the components in the brake system.

Operation Maintenance Manual Of Disc Brake Pdf Brake Screw
Operation Maintenance Manual Of Disc Brake Pdf Brake Screw

Operation Maintenance Manual Of Disc Brake Pdf Brake Screw Disc brake banyak diproduksi oleh bengkel pemesinan konvensional. tetapi belum diketahui seberapa optimal disc brake hasil produksi bengkel tersebut dalam pelepasan panas dan keamanannya. salah satu penyebab kecelakaan kendaraan adalah faktor. Automotive disc brakes are huge successful for the automotive industry. with this project we achieved a safe durable and variable design for a rotor component in a automotive disc brake system taking in consideration the forces exerted for all the components in the brake system. This review examines the evolution, components, materials, and operational principles of disc brakes. it discusses the advantages of disc brakes over traditional drum brakes, emphasizing their efficiency, faster stopping times, and enhanced reliability. A technical procedure for manufacturing brake discs in a contemporary plant that produces thousands of discs per day, with 120 type sizes every month, for both new automobiles and service is shown. A disc brake is a type of brake that uses the calipers to squeeze pairs of pads against a disc or "rotor" to create friction. this action slows the rotation of a shaft, such as a vehicle axle, either to reduce its rotational speed or to hold it stationary. The disk rotor is also analyzed. three existing materials, namely stainless steel, cast iron and carbon carbon composite, are compared with vanadium steel to verify maximum def rmation, tension and temperature. the disk brake is modeled using creo parametric 3.0 and the analysis is.

Disk Brake System Pdf
Disk Brake System Pdf

Disk Brake System Pdf This review examines the evolution, components, materials, and operational principles of disc brakes. it discusses the advantages of disc brakes over traditional drum brakes, emphasizing their efficiency, faster stopping times, and enhanced reliability. A technical procedure for manufacturing brake discs in a contemporary plant that produces thousands of discs per day, with 120 type sizes every month, for both new automobiles and service is shown. A disc brake is a type of brake that uses the calipers to squeeze pairs of pads against a disc or "rotor" to create friction. this action slows the rotation of a shaft, such as a vehicle axle, either to reduce its rotational speed or to hold it stationary. The disk rotor is also analyzed. three existing materials, namely stainless steel, cast iron and carbon carbon composite, are compared with vanadium steel to verify maximum def rmation, tension and temperature. the disk brake is modeled using creo parametric 3.0 and the analysis is.

Disc Brake Pdf Disc Brake System Introduction 1 Of 2 Disc Brakes
Disc Brake Pdf Disc Brake System Introduction 1 Of 2 Disc Brakes

Disc Brake Pdf Disc Brake System Introduction 1 Of 2 Disc Brakes A disc brake is a type of brake that uses the calipers to squeeze pairs of pads against a disc or "rotor" to create friction. this action slows the rotation of a shaft, such as a vehicle axle, either to reduce its rotational speed or to hold it stationary. The disk rotor is also analyzed. three existing materials, namely stainless steel, cast iron and carbon carbon composite, are compared with vanadium steel to verify maximum def rmation, tension and temperature. the disk brake is modeled using creo parametric 3.0 and the analysis is.

Comments are closed.