Simplify your online presence. Elevate your brand.

Alternator Training Pdf Rectifier Diode

2 Diode Rectifier Pdf Rectifier Power Electronics
2 Diode Rectifier Pdf Rectifier Power Electronics

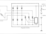
2 Diode Rectifier Pdf Rectifier Power Electronics It describes the components involved, including the rotor, stator, rectifier, and voltage regulator, as well as the process of three phase generation and rectification. additionally, it covers installation, ventilation, and maintenance procedures for the alternator. Trainees can use this module to analyse the transformation of mechanical energy into electrical energy, measure ac voltage and then rectified voltage (removable diode bridge), and study the wiring of star and delta arrangements.

Understanding Alternators A Guide To The Internal Workings And
Understanding Alternators A Guide To The Internal Workings And

Understanding Alternators A Guide To The Internal Workings And Small residual magnetism in iron core of rotor the alternator generates a stronger voltage that builds up after build up the field is supplied by rectified voltage from stator with brushes. Kw alternator with fully integrated power electronics and controls. the prototype alternator achieves approximately a factor of 2.1 increase in power and 1.6 increase in power density as compared to a conventional diode rectified alter. The advantage of biased diode clipping circuits is that it prevents the output signal from exceeding preset voltage limits for both half cycles of the input waveform, which could be an input from a noisy sensor or the positive and negative supply rails of a power supply. The three phase alternator generator kit provides trainees the basics of three phase current diode and rectifier circuits as well as the functionality of an unregulated three phase alternator generator.

Testing Alternator Diode Rectifier At Madeline Mair Blog
Testing Alternator Diode Rectifier At Madeline Mair Blog

Testing Alternator Diode Rectifier At Madeline Mair Blog The advantage of biased diode clipping circuits is that it prevents the output signal from exceeding preset voltage limits for both half cycles of the input waveform, which could be an input from a noisy sensor or the positive and negative supply rails of a power supply. The three phase alternator generator kit provides trainees the basics of three phase current diode and rectifier circuits as well as the functionality of an unregulated three phase alternator generator. Determine the operation and characteristics of diode rectifier circuits, which, in general, form the first stage of the process of converting an ac signal into a dc signal in the electronic power supply. The diodes within the rotating diode assembly are carefully selected to ensure their current carrying capability, along with their voltage withstand capability, has an operating safety margin when compared with the designed exciter and main field winding operating levels. Pdf | the failures of the diodes of the rectifier assembly are one of the main reasons of the automobile alternators breakdown. Important characteristics of rectifier circuits.

Manual Rectifier Diode Pdf
Manual Rectifier Diode Pdf

Manual Rectifier Diode Pdf Determine the operation and characteristics of diode rectifier circuits, which, in general, form the first stage of the process of converting an ac signal into a dc signal in the electronic power supply. The diodes within the rotating diode assembly are carefully selected to ensure their current carrying capability, along with their voltage withstand capability, has an operating safety margin when compared with the designed exciter and main field winding operating levels. Pdf | the failures of the diodes of the rectifier assembly are one of the main reasons of the automobile alternators breakdown. Important characteristics of rectifier circuits.

Comments are closed.